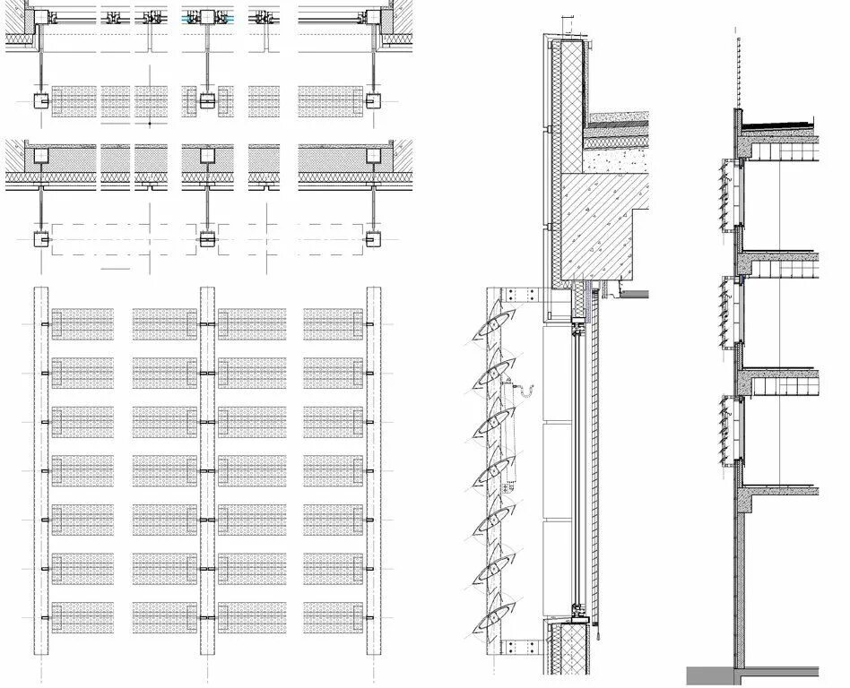
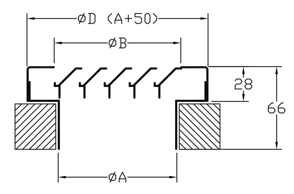
Detail coring