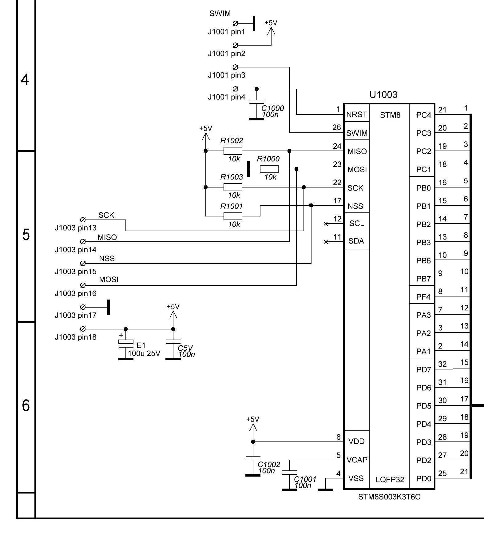
Delphi распиновка