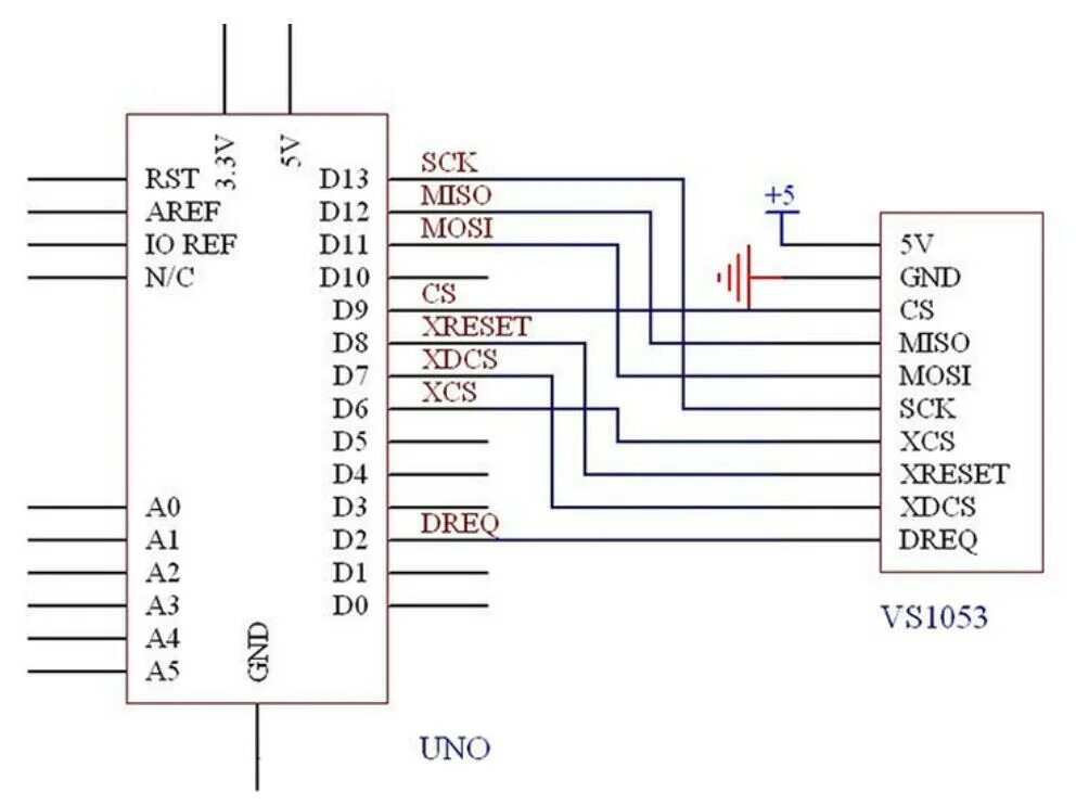
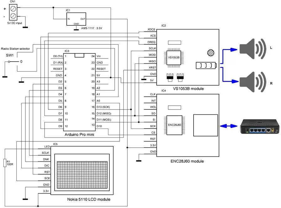
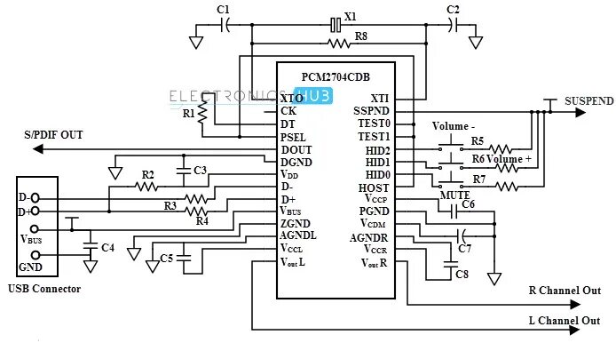
Декодирование mp3