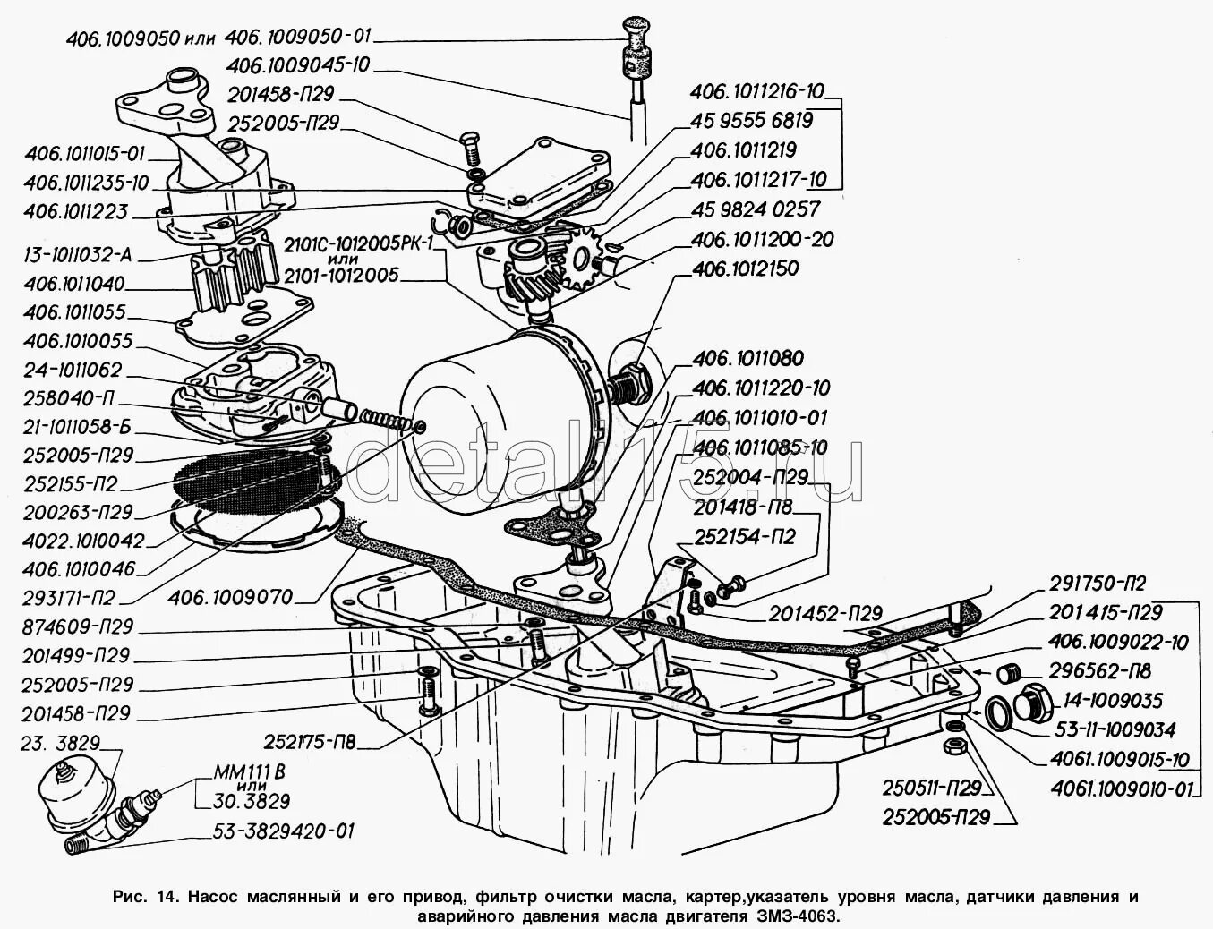
Давление масла двигатель змз 402