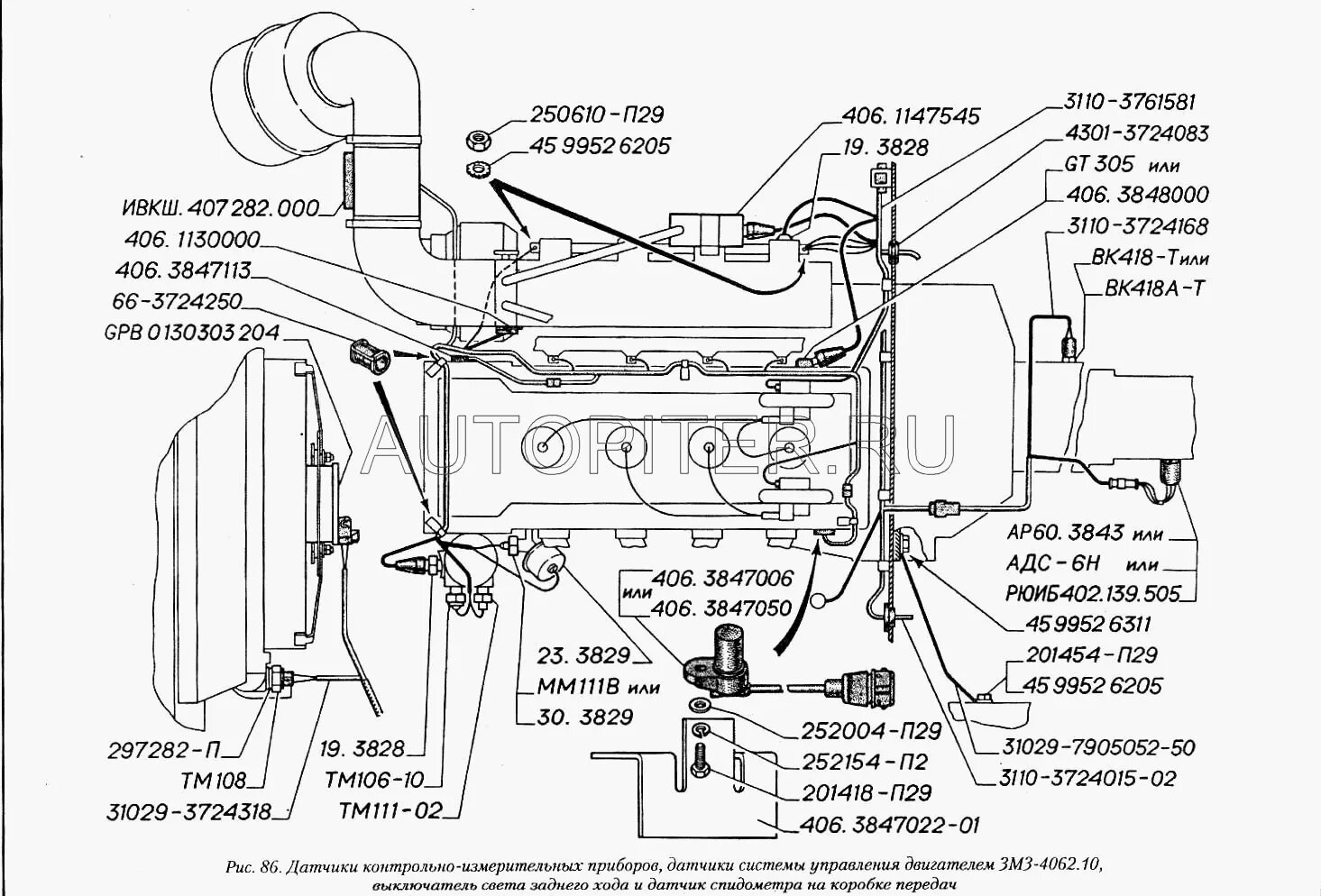
Датчики на газель 406 инжектор