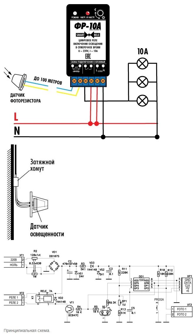
Датчик света для уличного освещения схема подключения