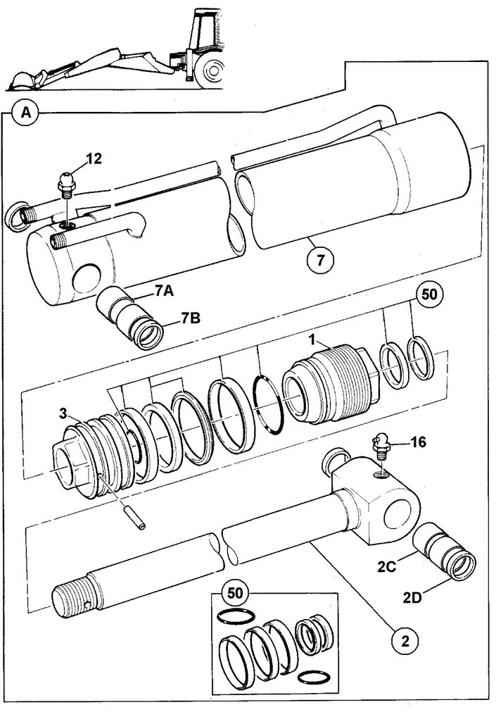
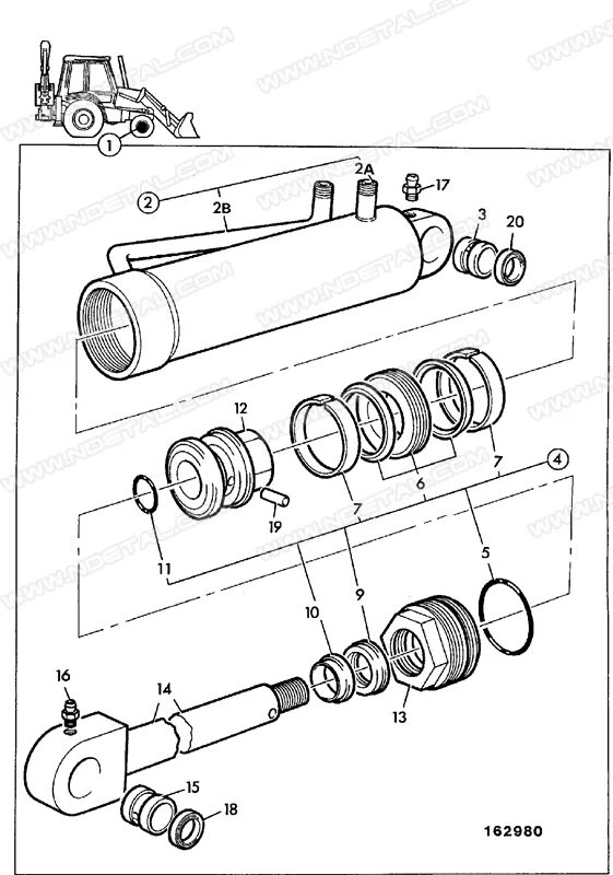
Cx цилиндра