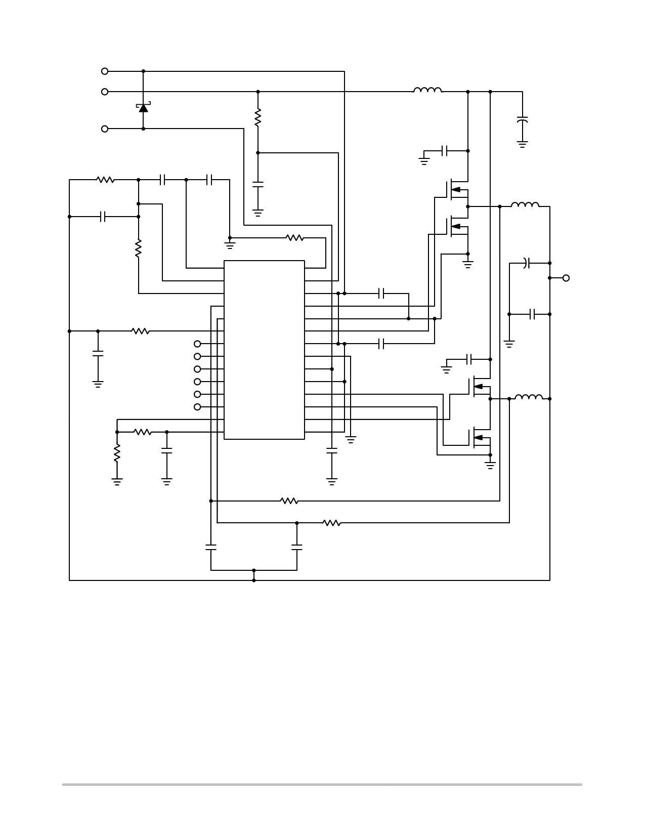
Cs1002 expected