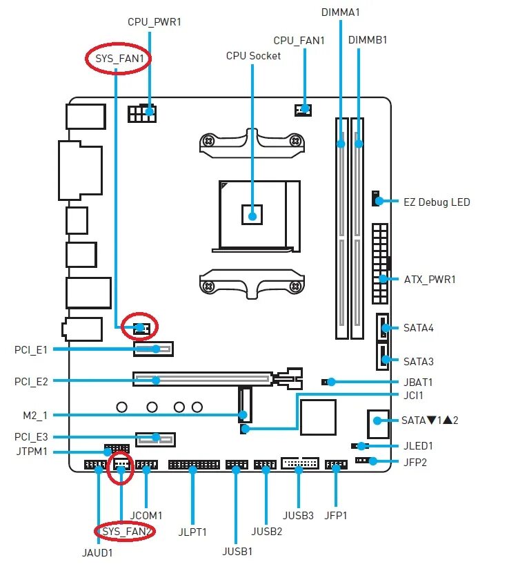
Cpu fan sys fan