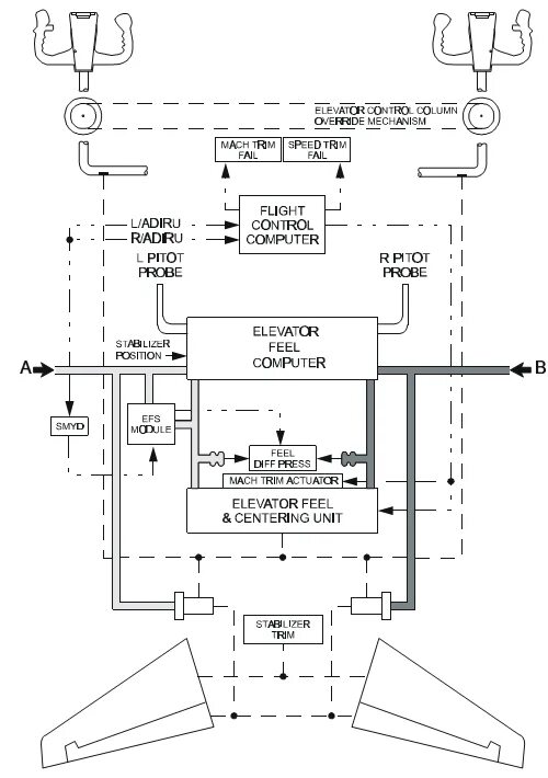
Control column