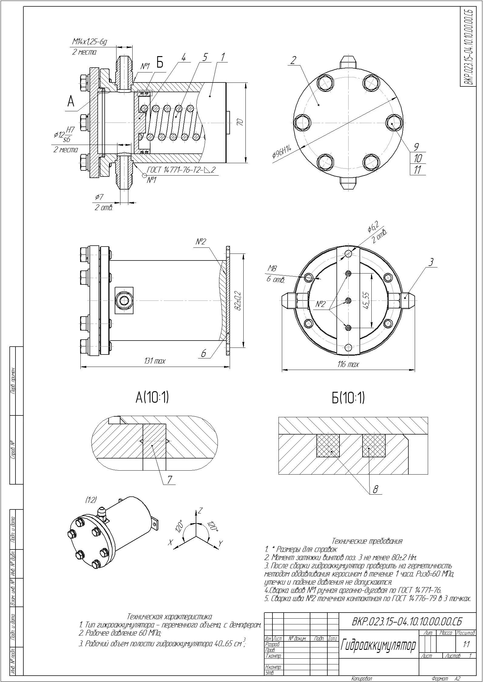
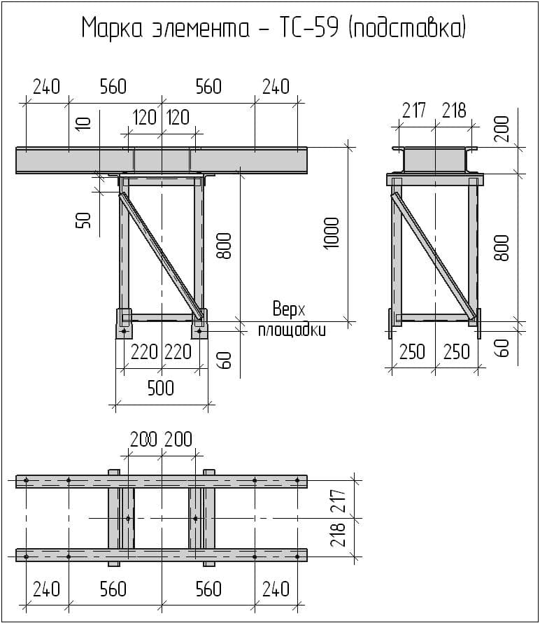
Чертежи тс