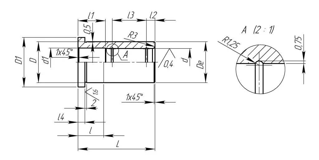
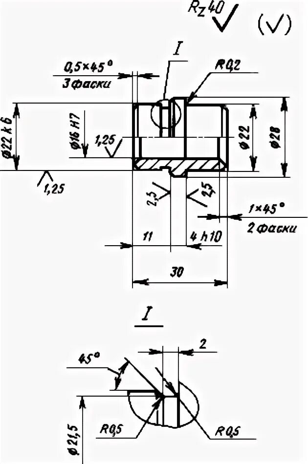
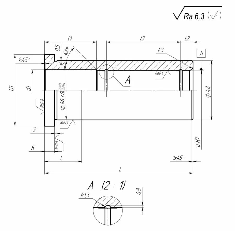
Чертежи направляющей втулки