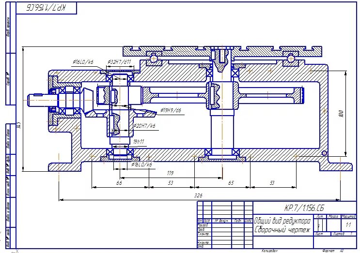
Чертежи конструкторских разработок