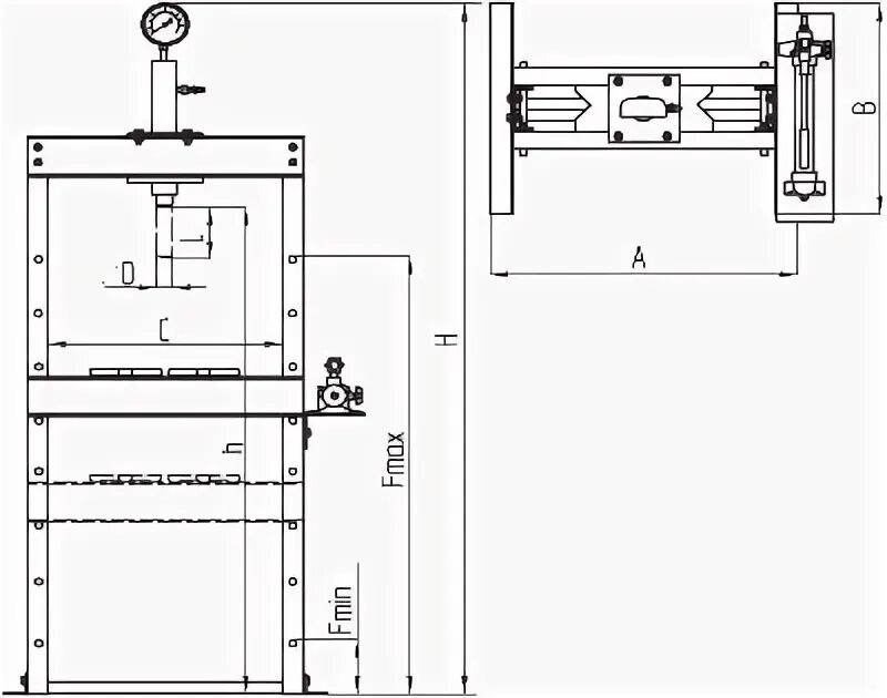
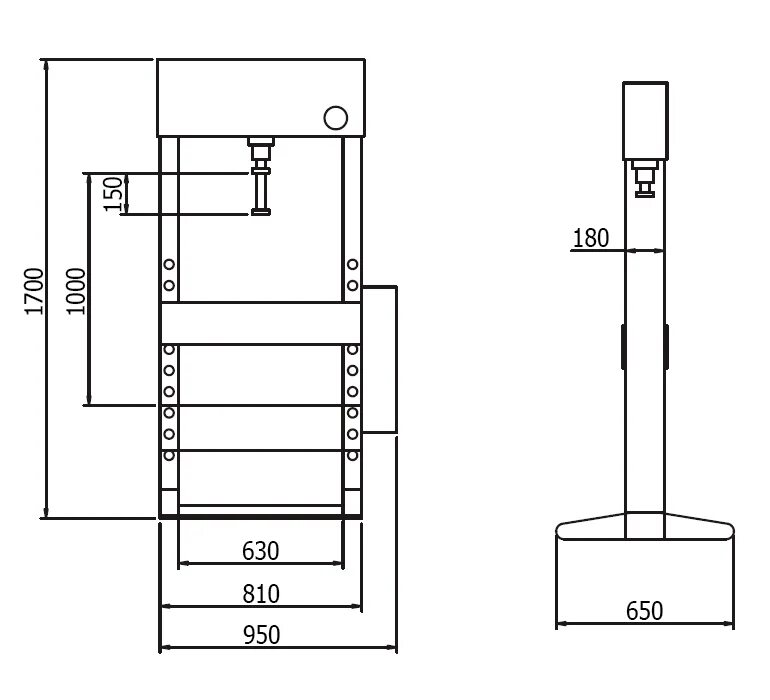
Чертежи и размеры гидравлического пресса