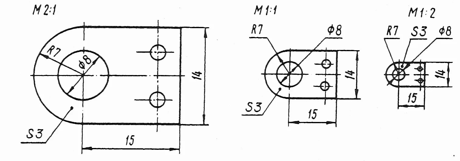
Чертеж выполнен в масштабе 2.5 1 определите