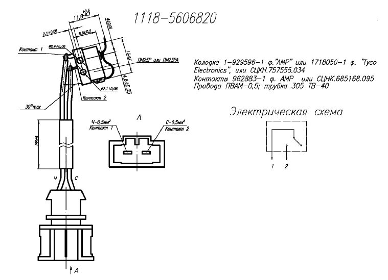
Чертеж кабеля