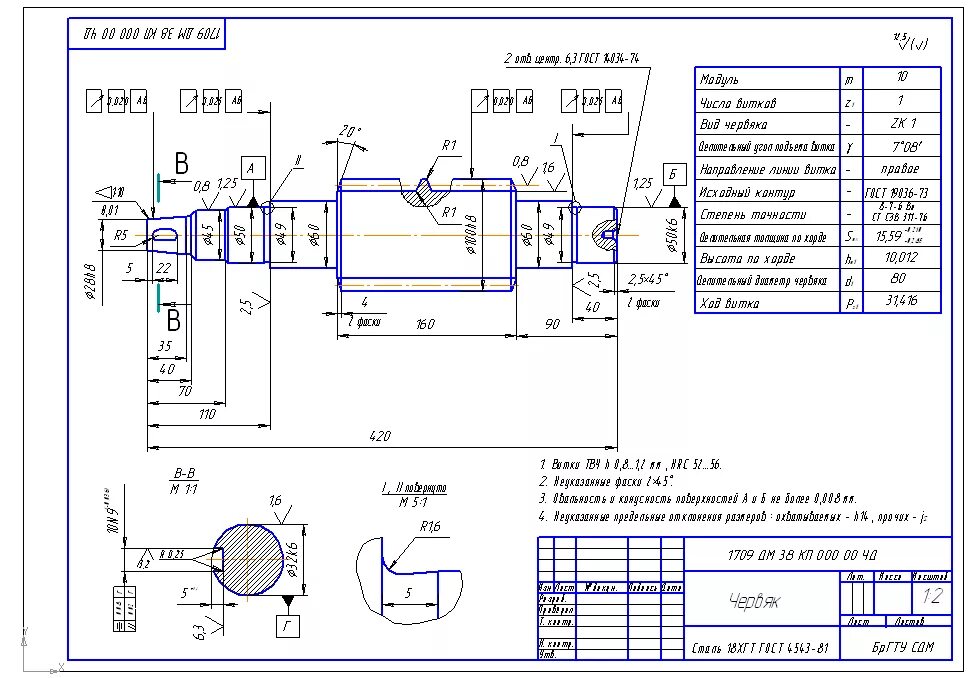
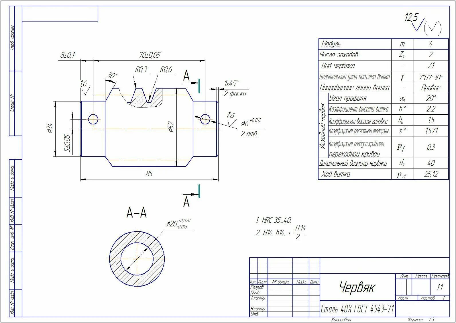
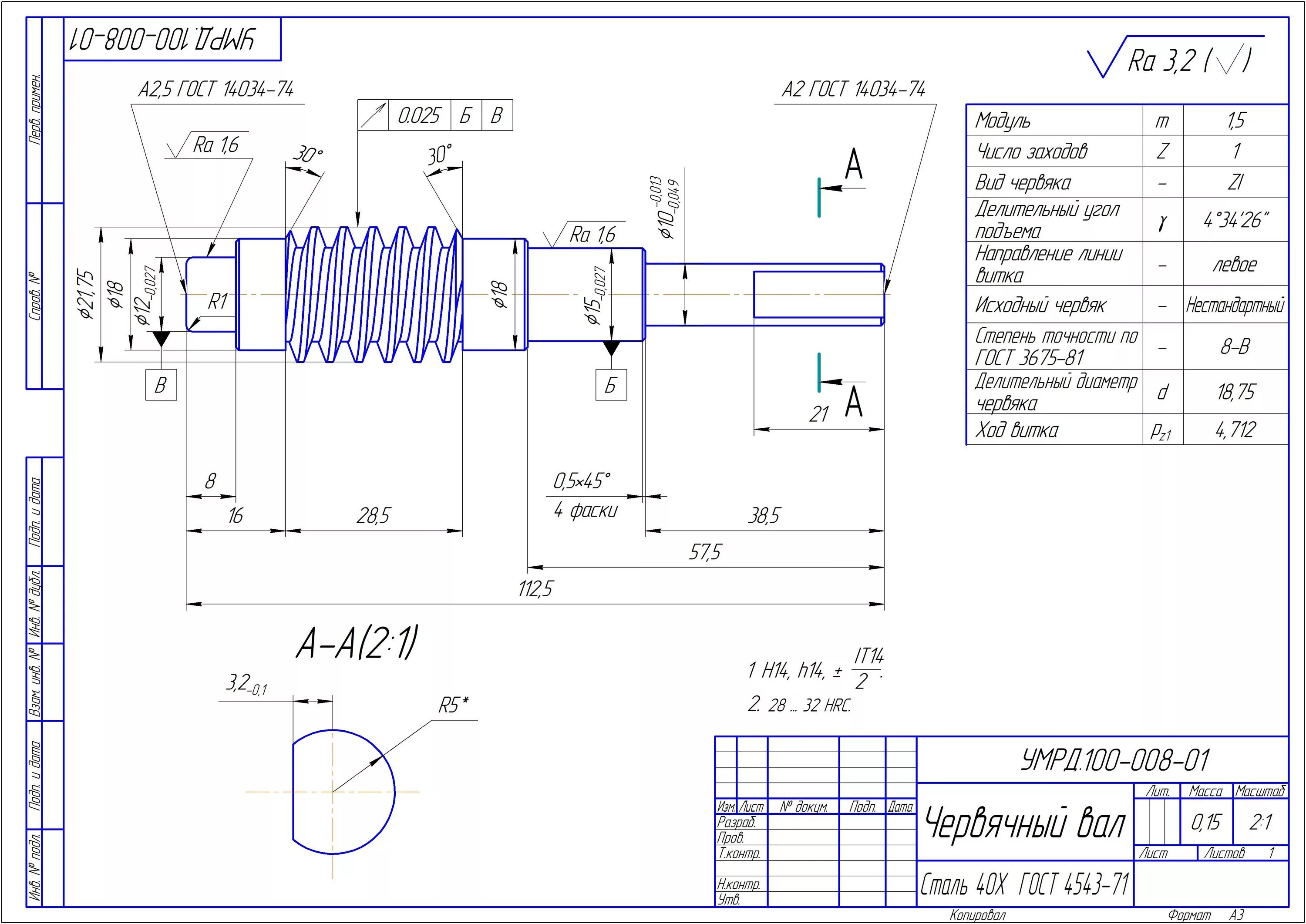
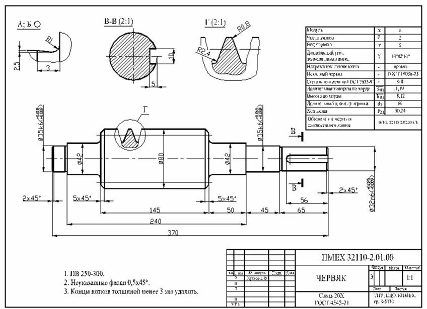
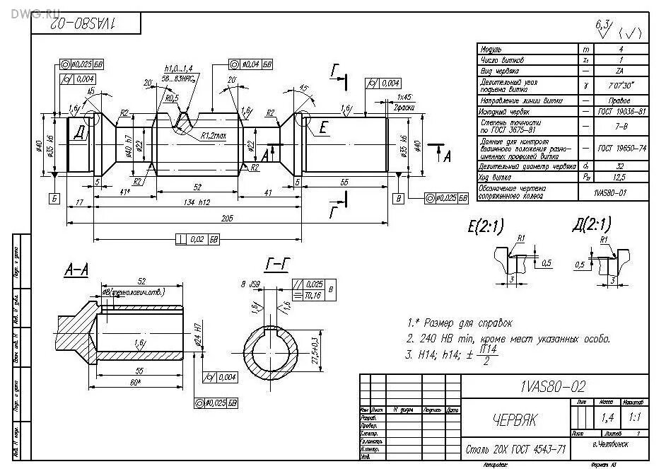
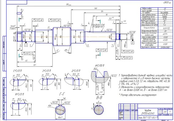
Чертеж червячного вала