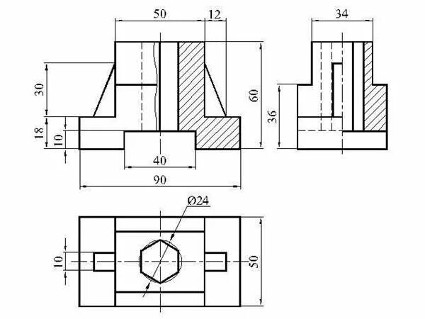
Черчение девятый класс