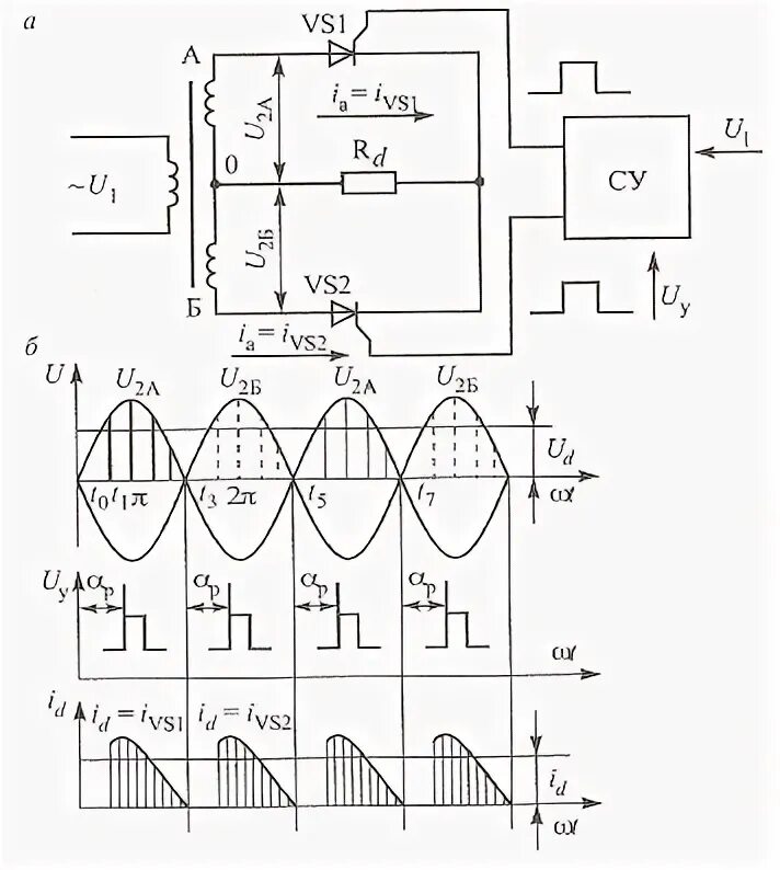
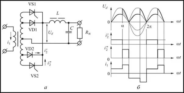
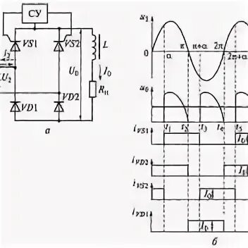
Чем управляет управляемый выпрямитель