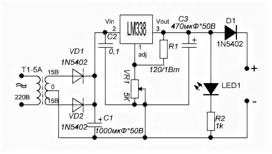
Чем отличается зарядное от блока питания