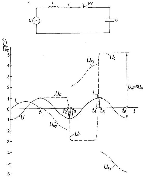
Чем обусловлено перенапряжение при отключении ненагруженного трансформатора