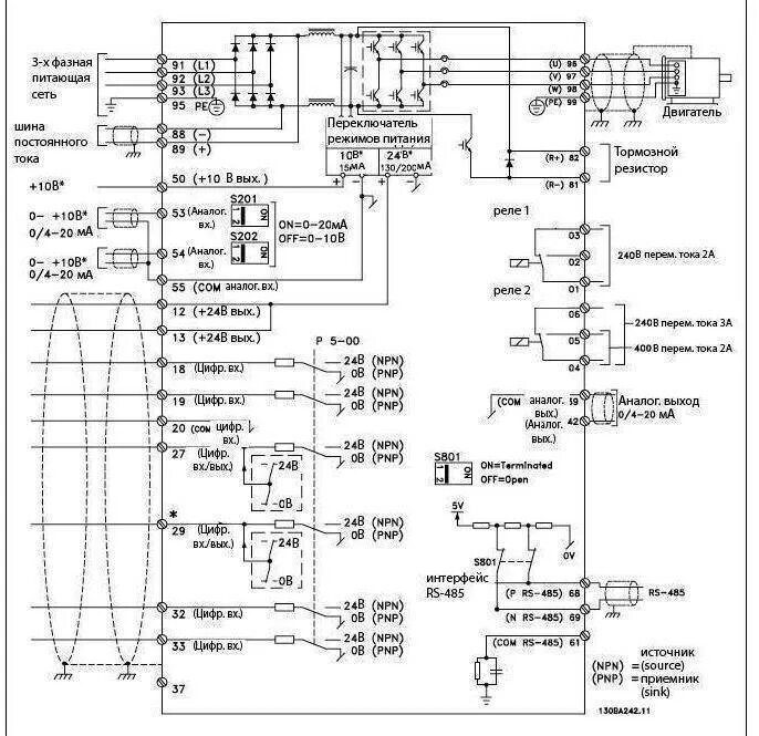
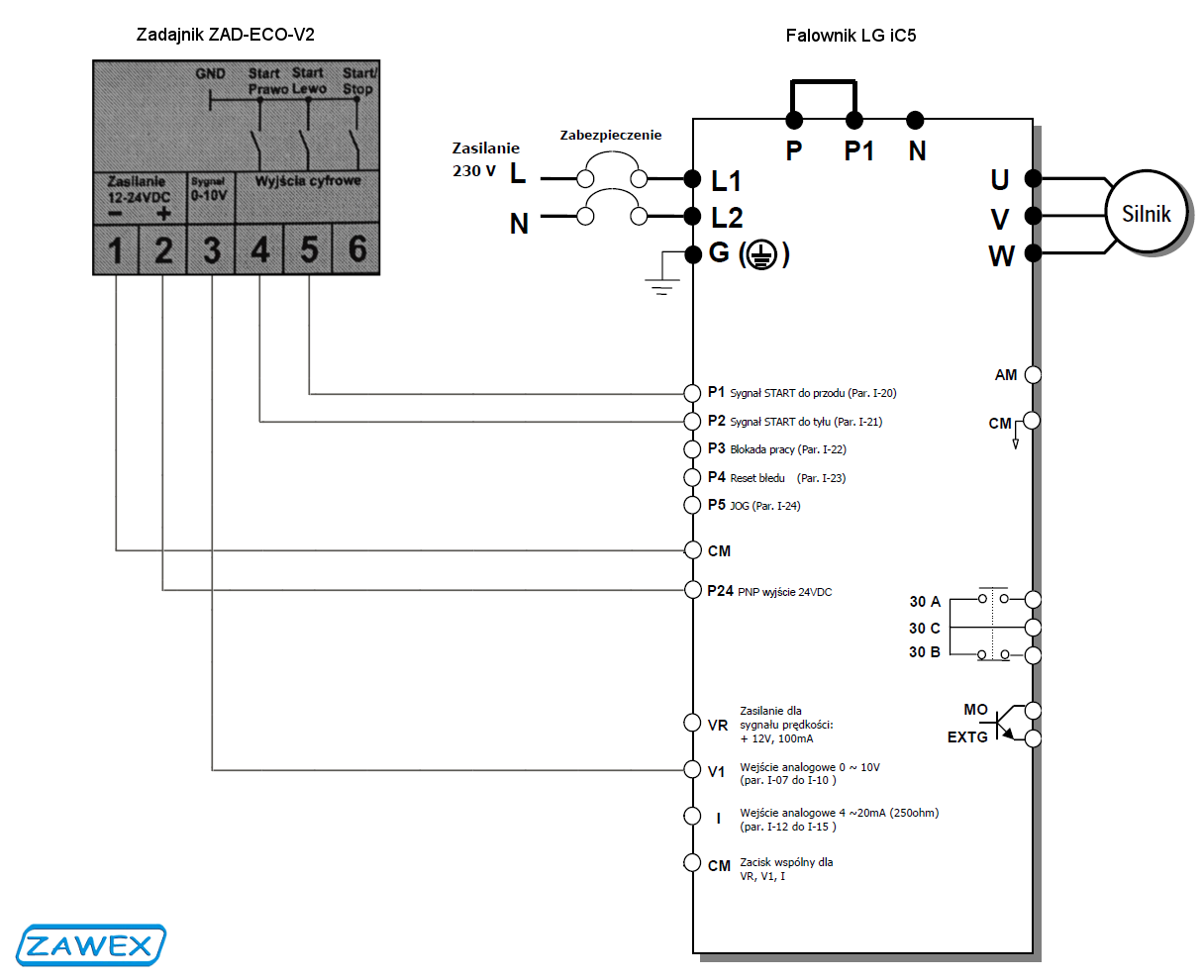
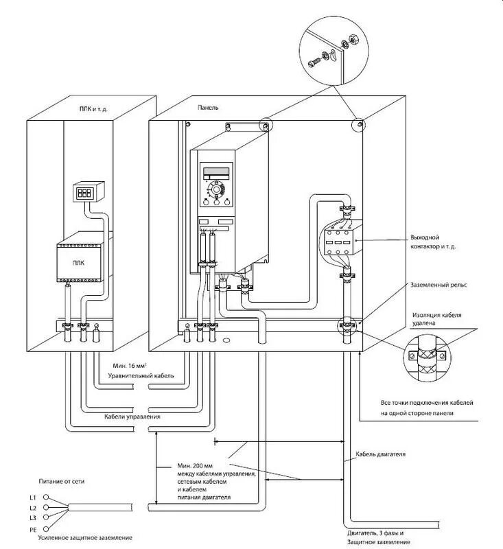
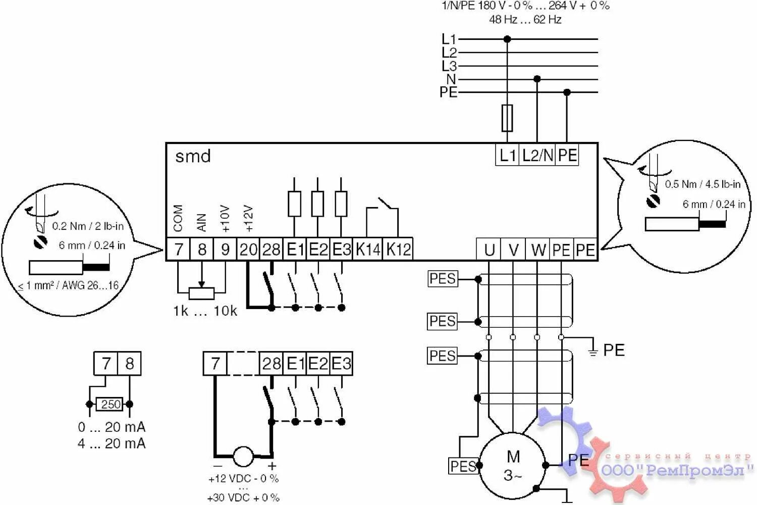
Частотный преобразователь данфосс инструкция