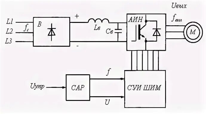
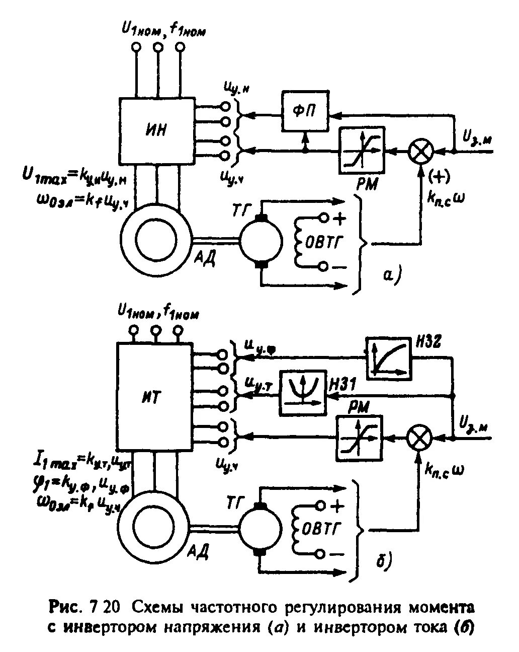
Частотное регулирование ад