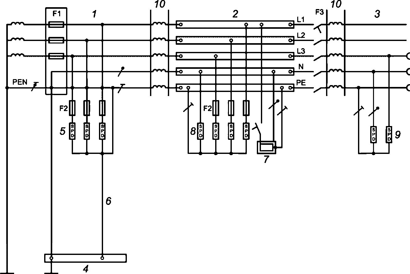
Буквенное обозначение защитного заземления