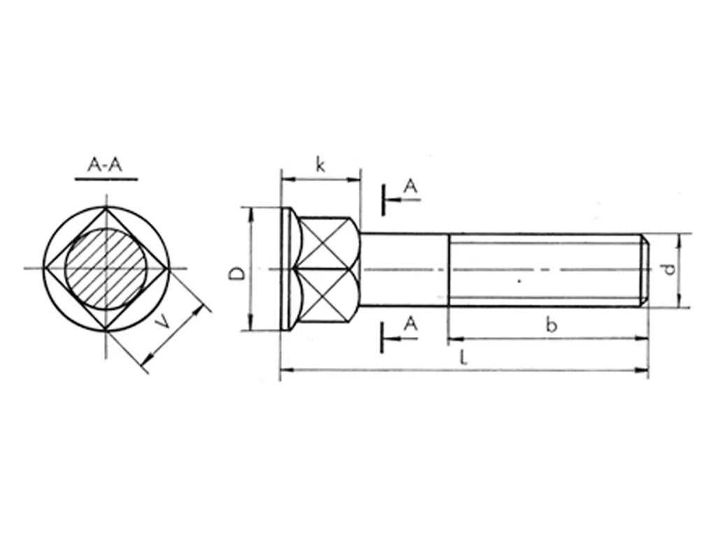
Болт класса точности b