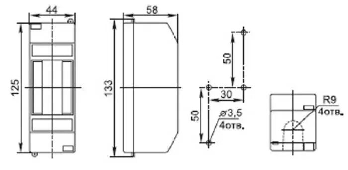
Бокс 2 модуля иэк