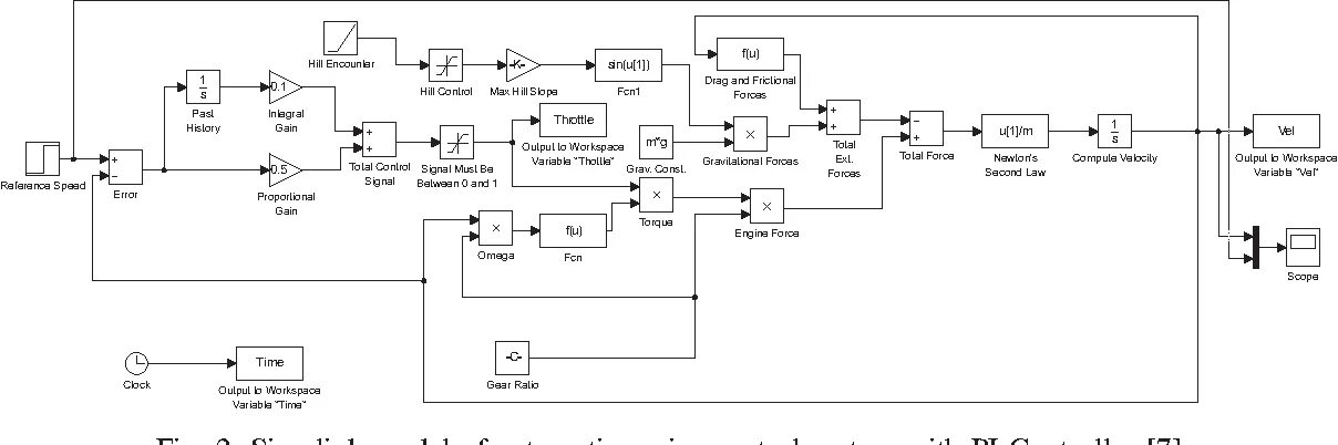
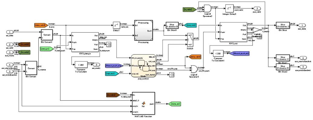
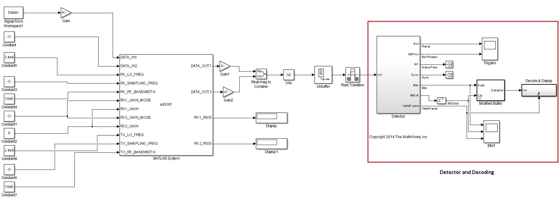
Блоки симулинк