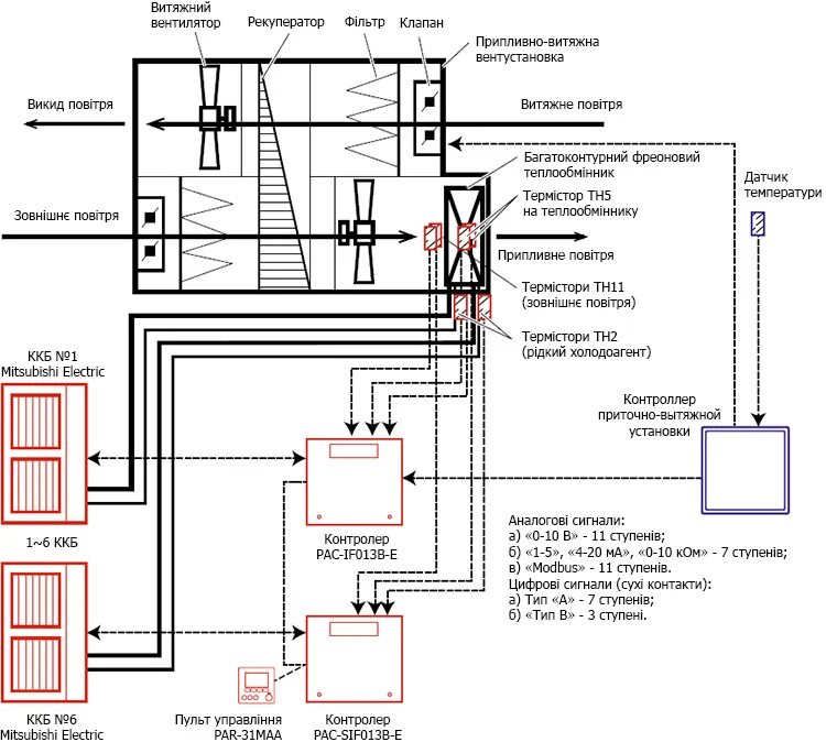
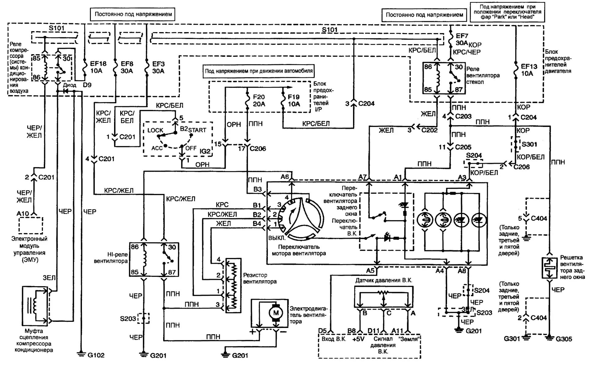
Блок управления системой кондиционирования