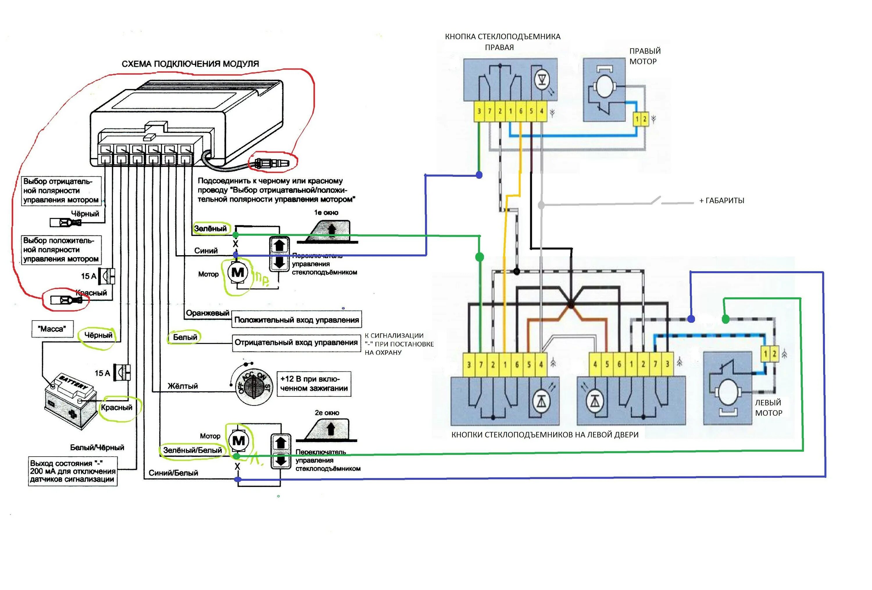
Блок центрального замка и стеклоподъемников