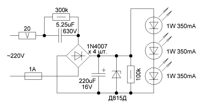
Блок питания 24 вольта для гирлянды