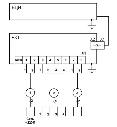
Блок контроля температуры