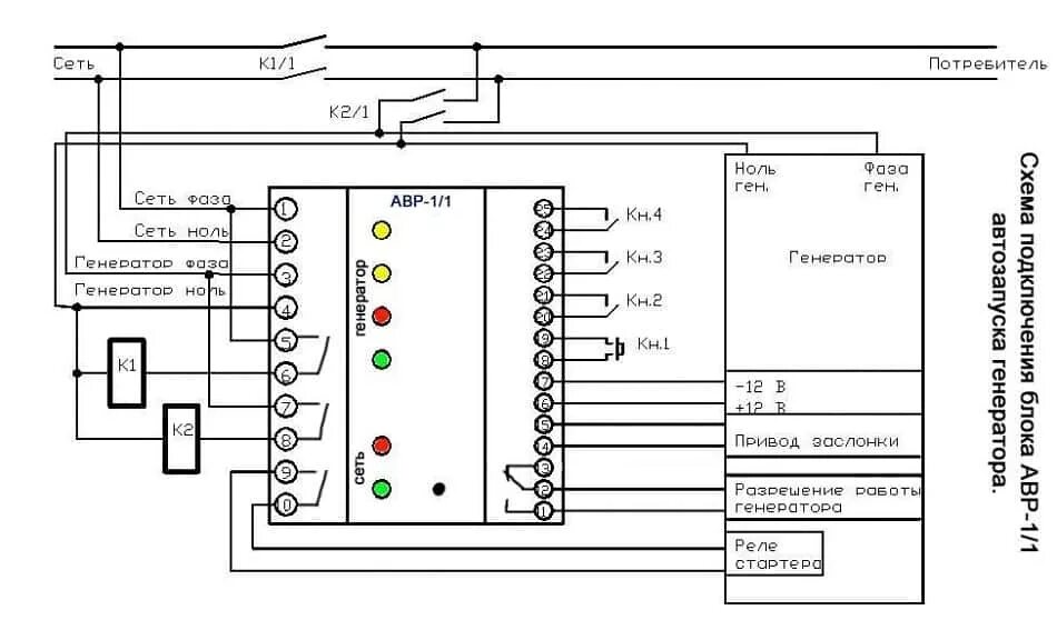
Block generator