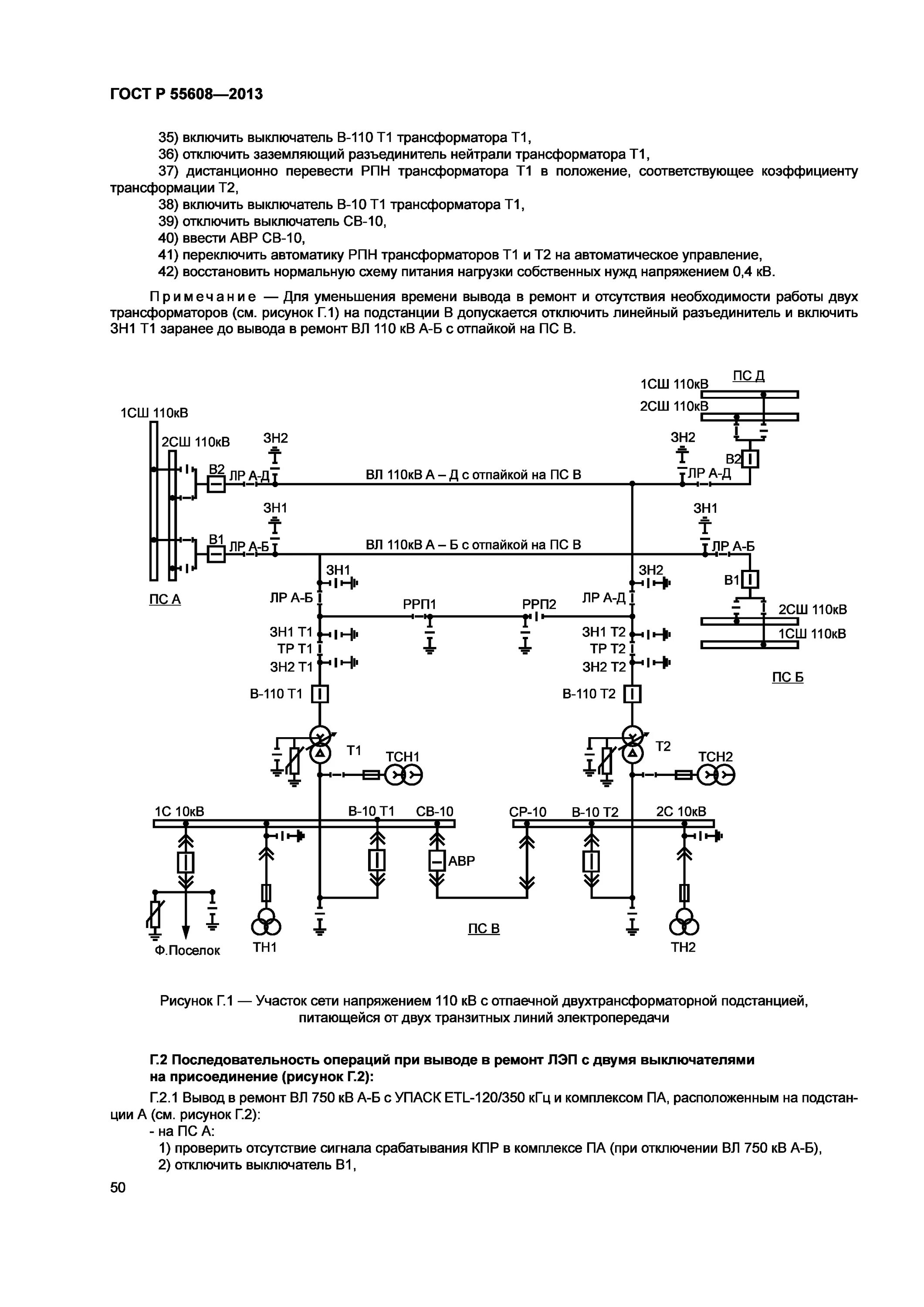
Бланк оперативных переключений