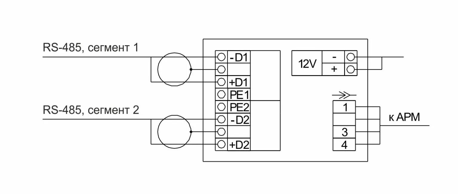
Бк 24 rs485 01