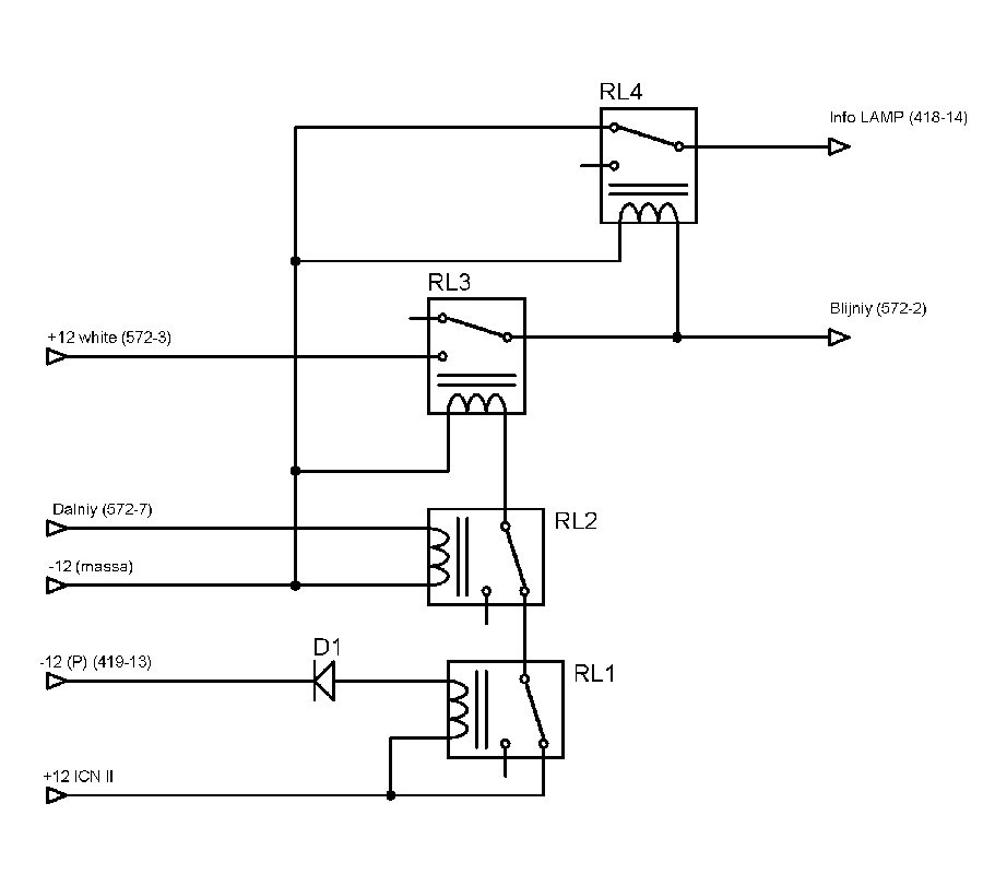
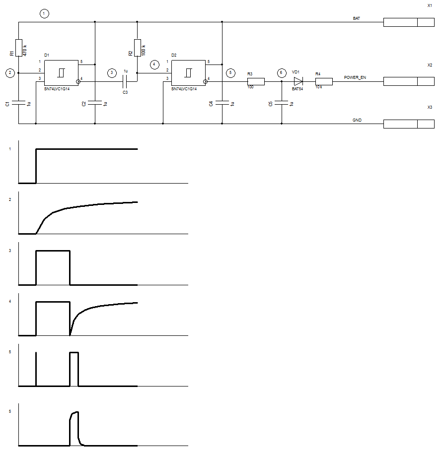
Автовключение при подаче питания