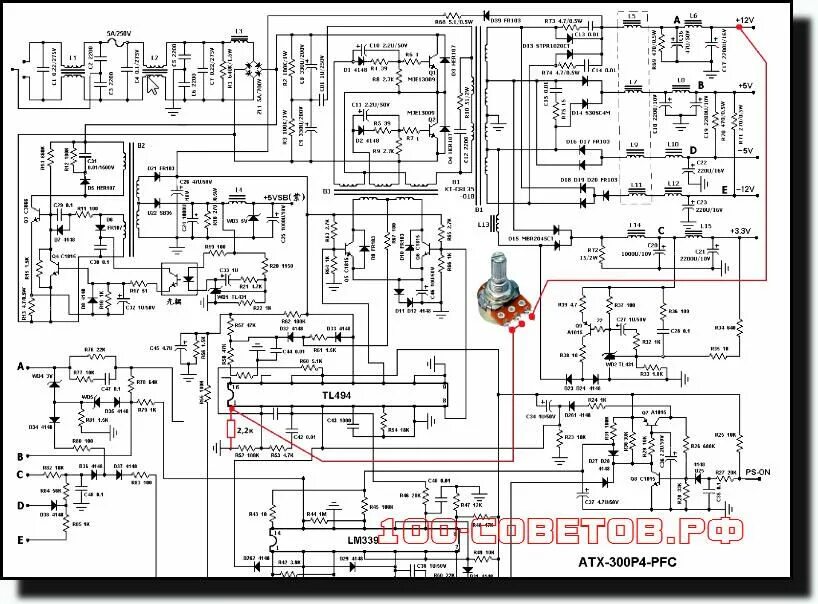
Автомобильное зарядное устройство из бп компьютера