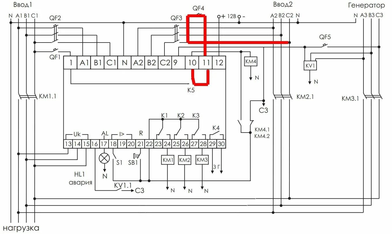
Автоматическое переключение вводов