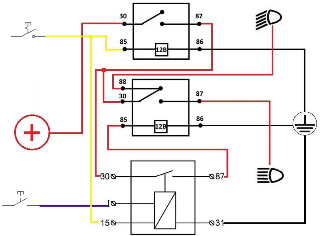
Автоматическое переключение дальнего света