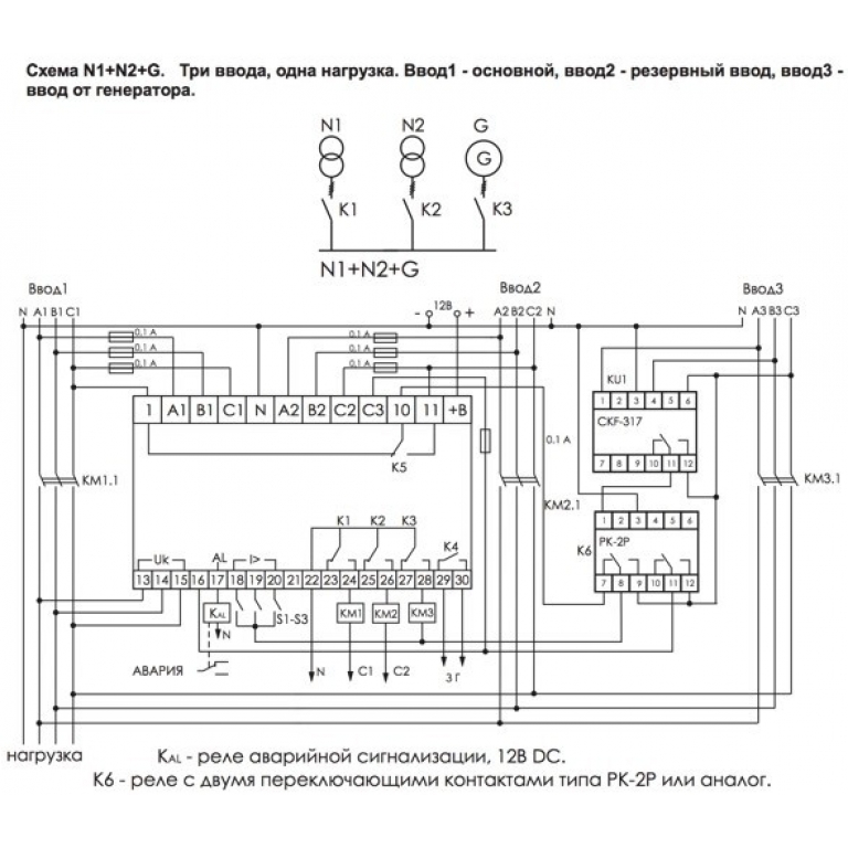
Авр рк