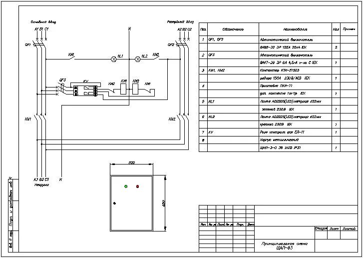
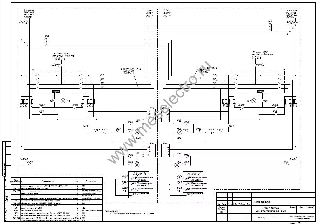
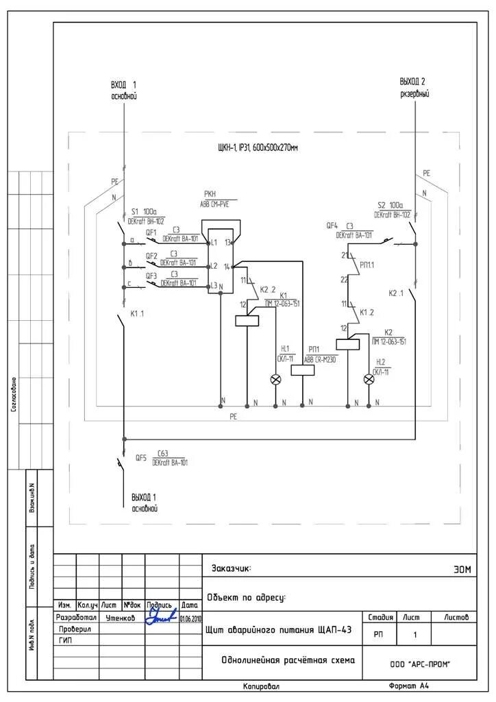
Авр dwg