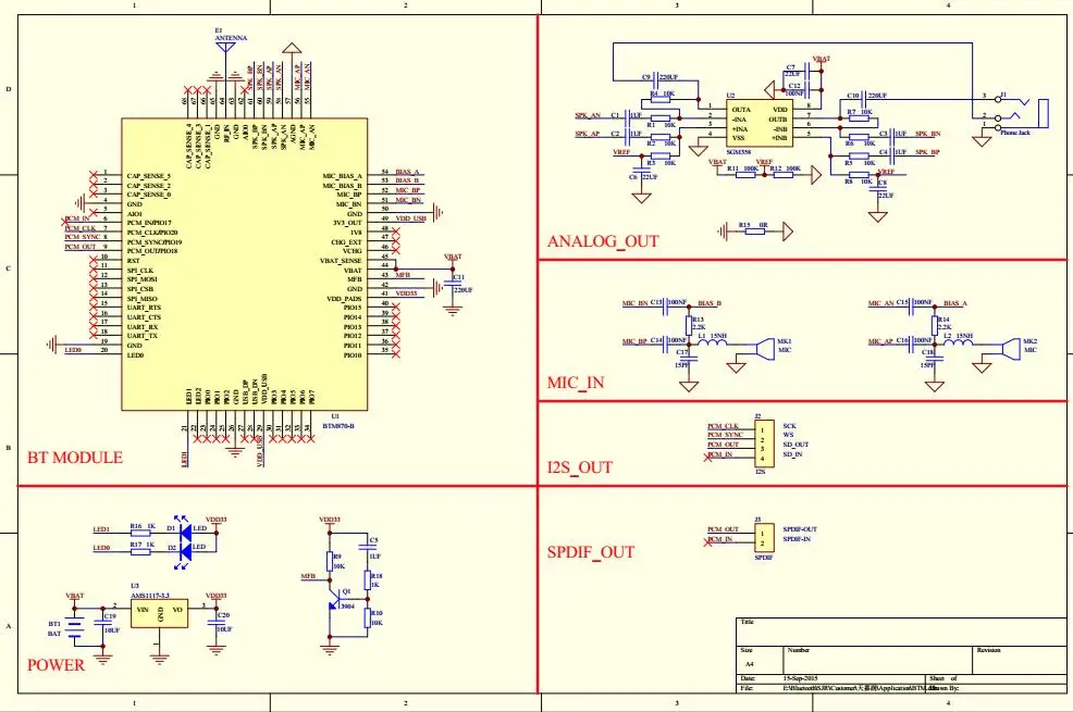
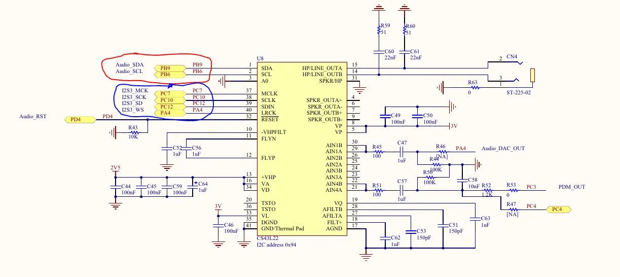
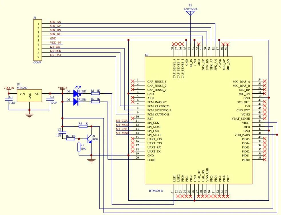
Audio i2s