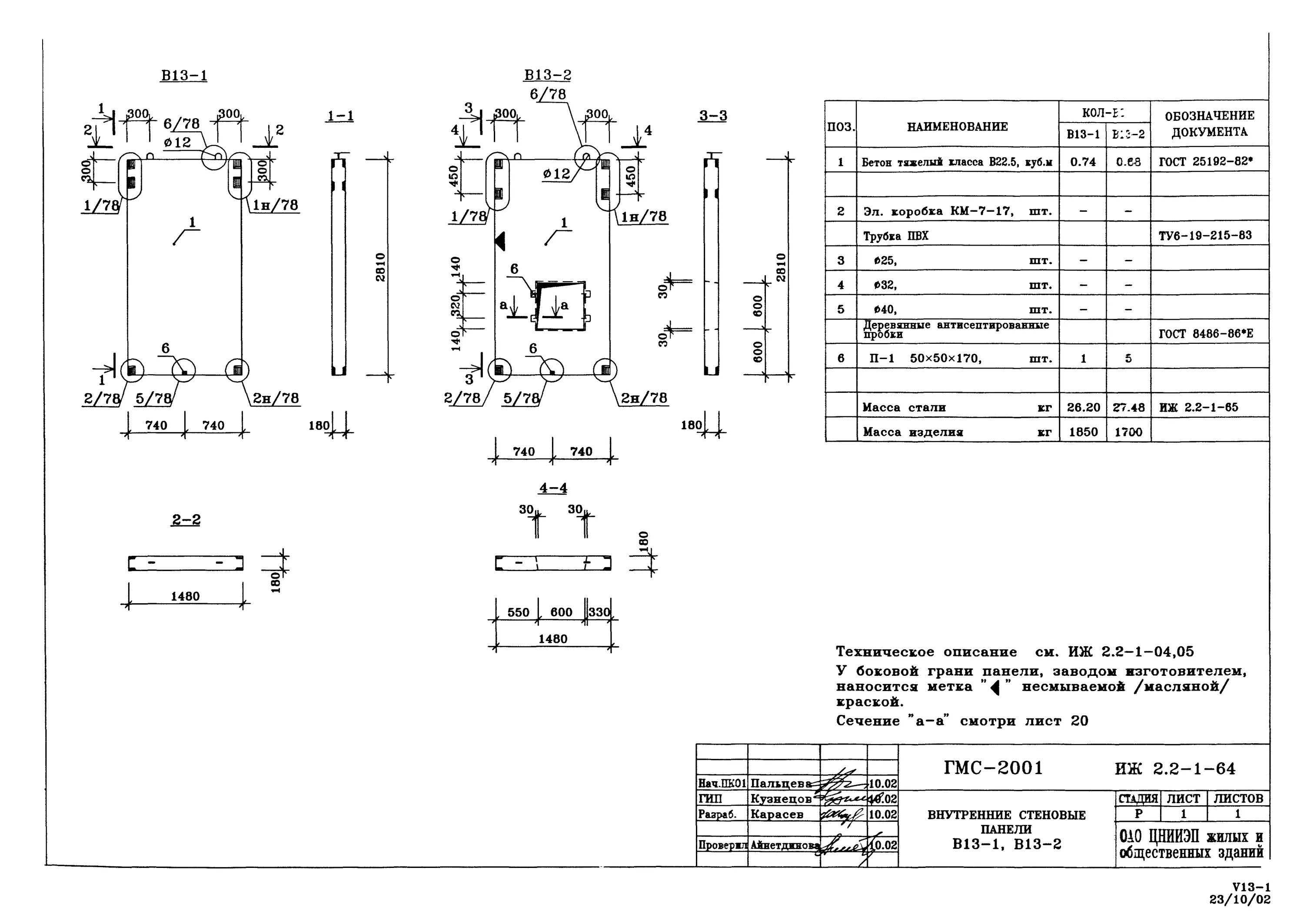
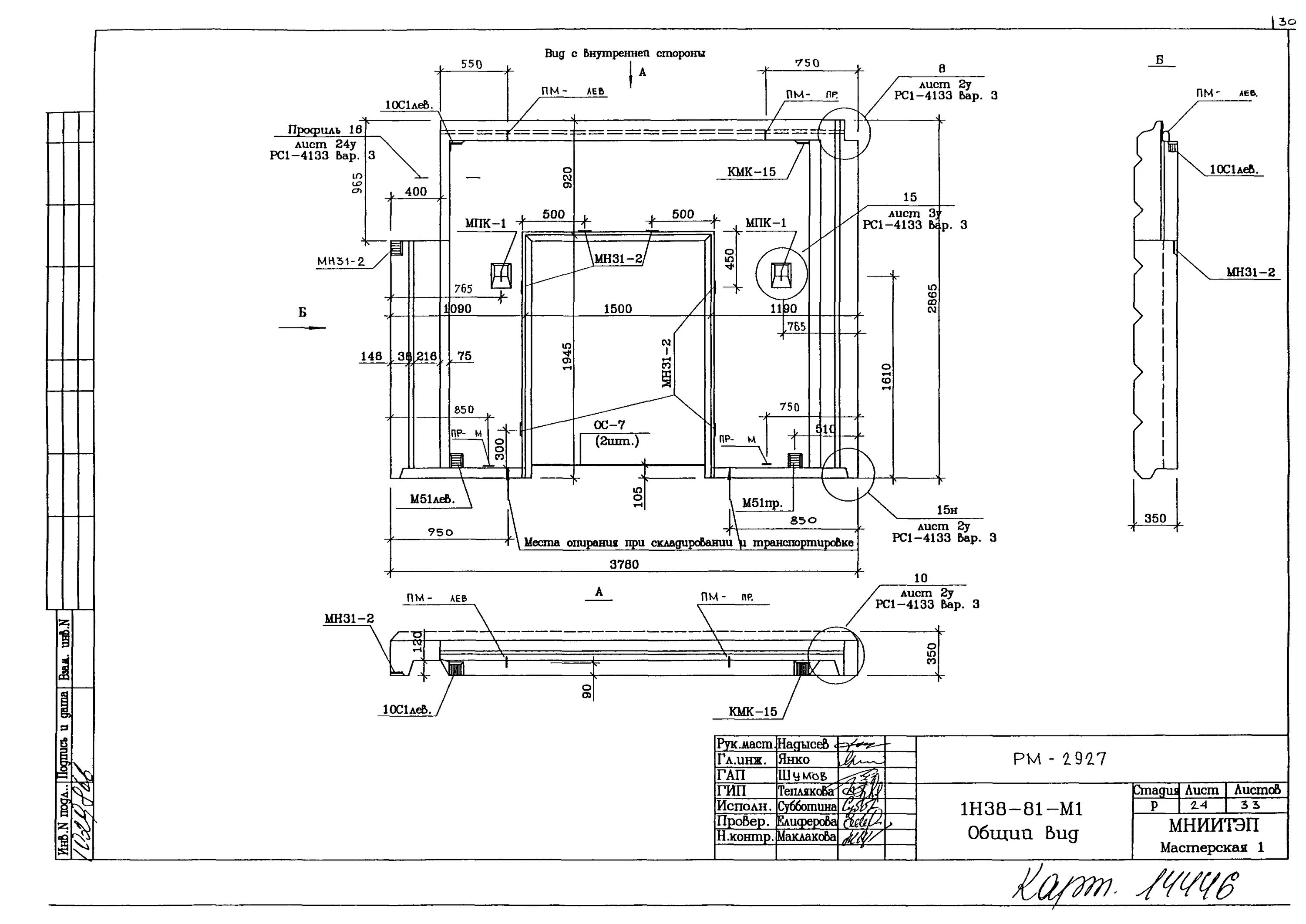
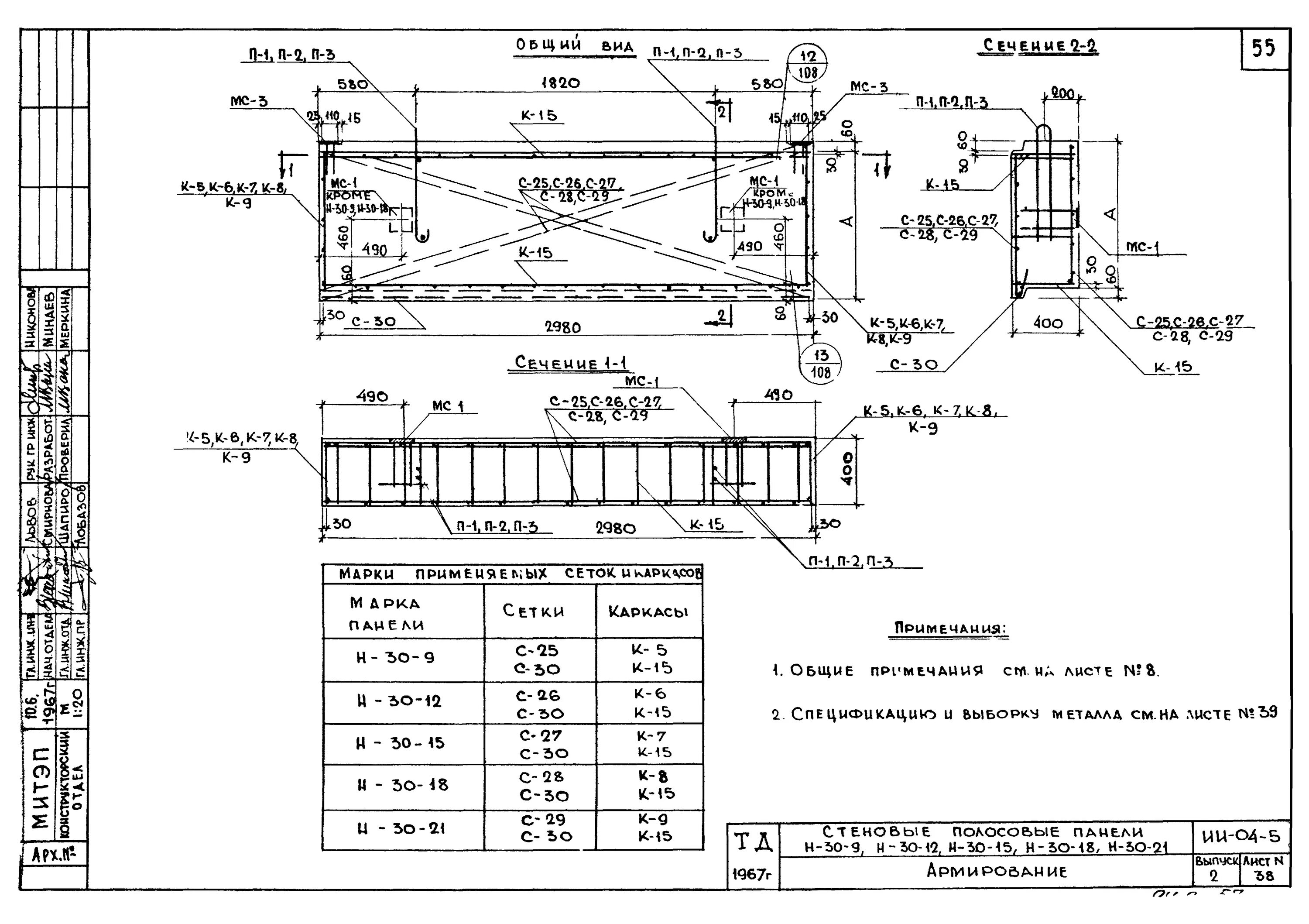
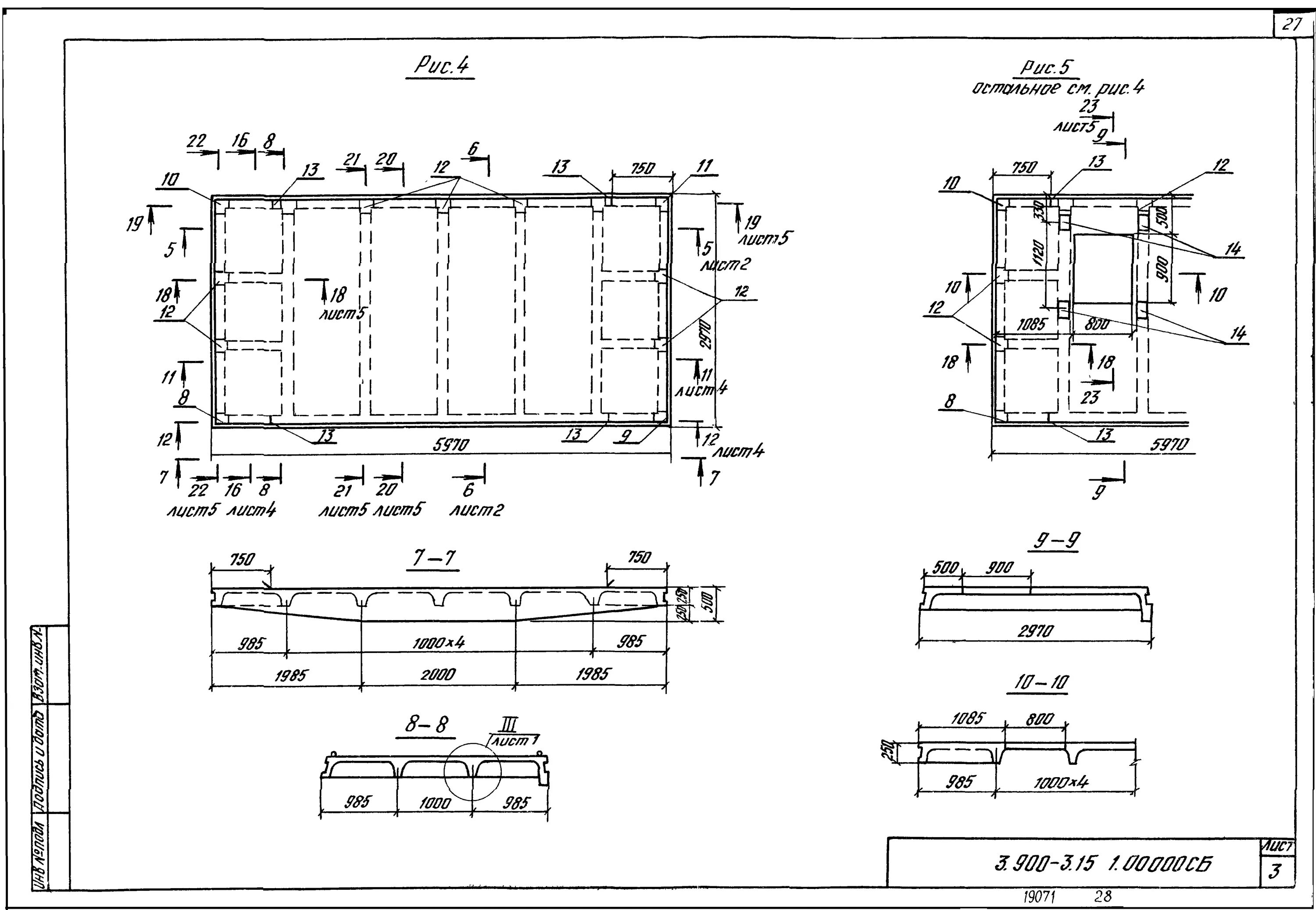
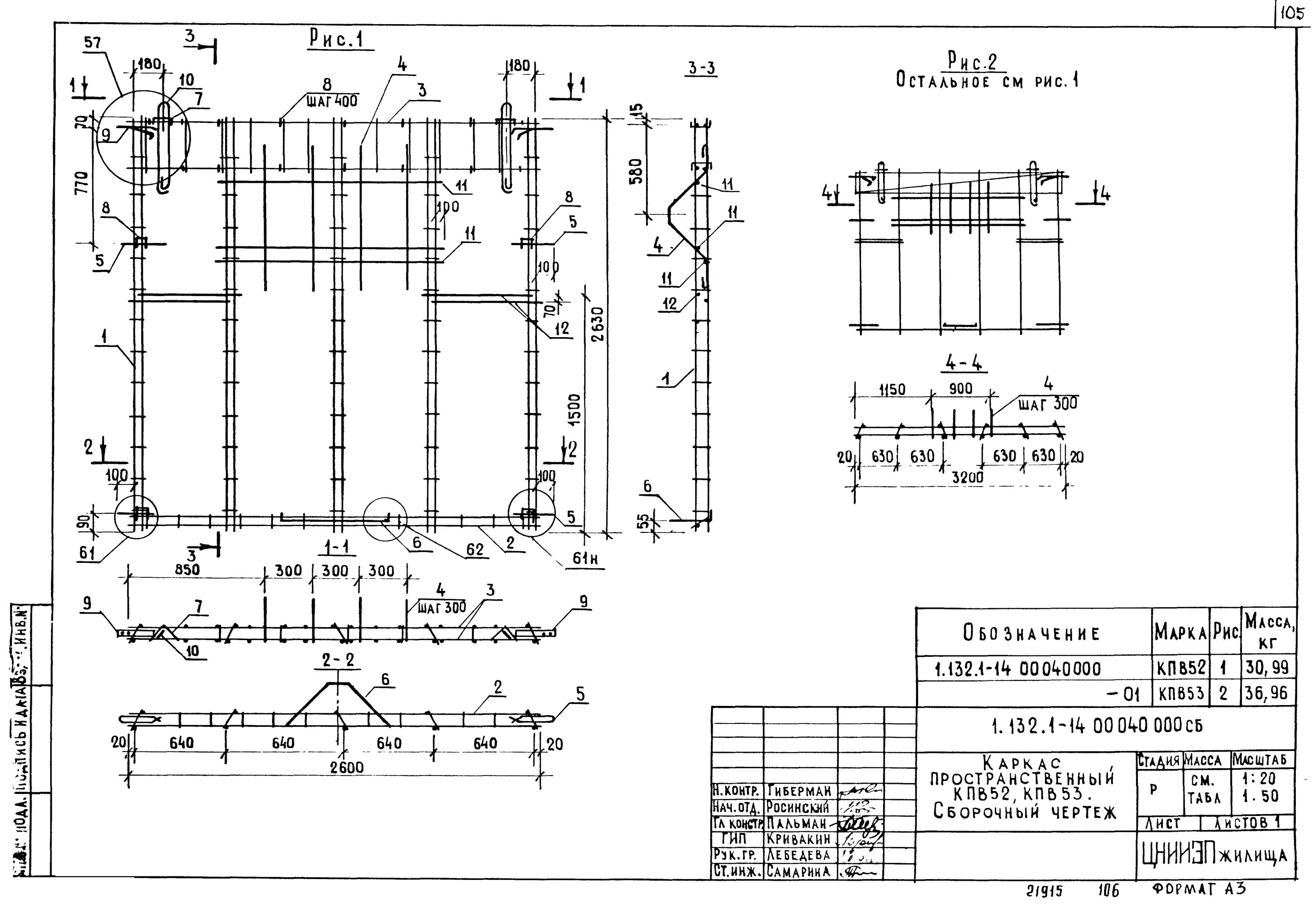
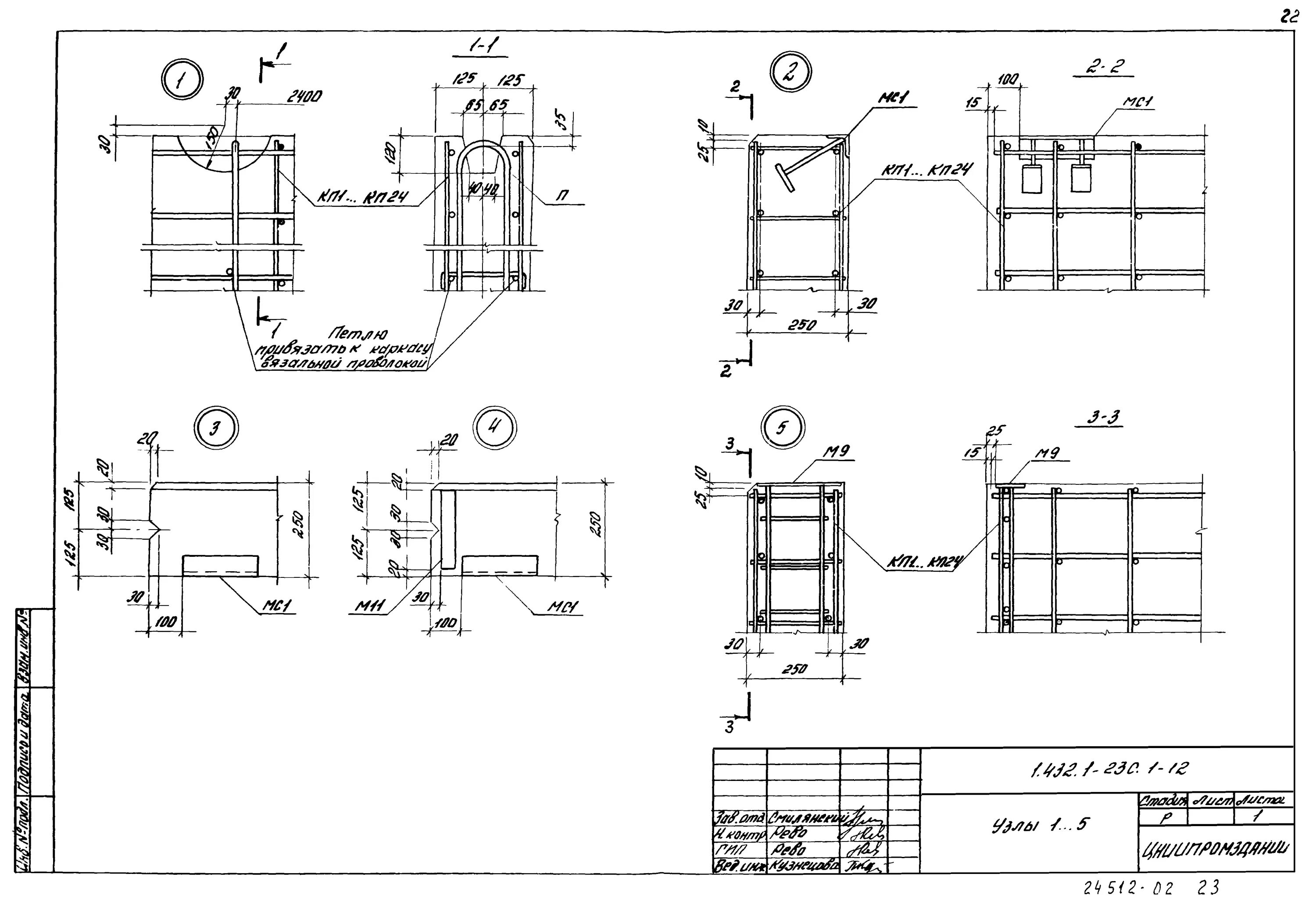
Армирование стеновых панелей