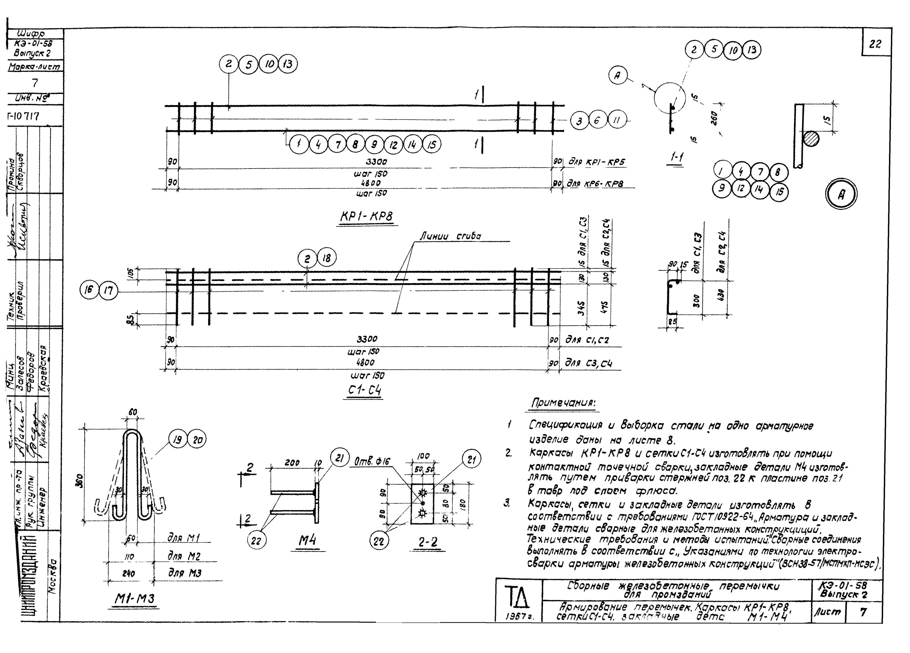
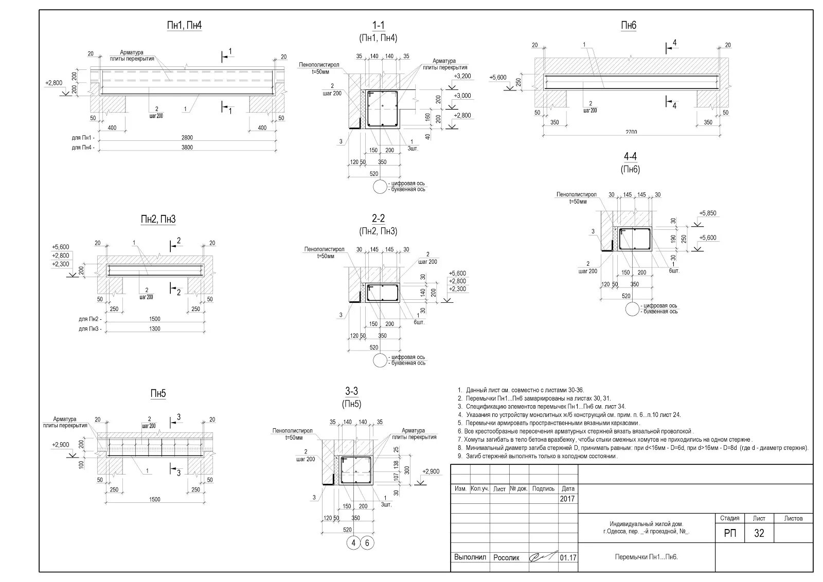
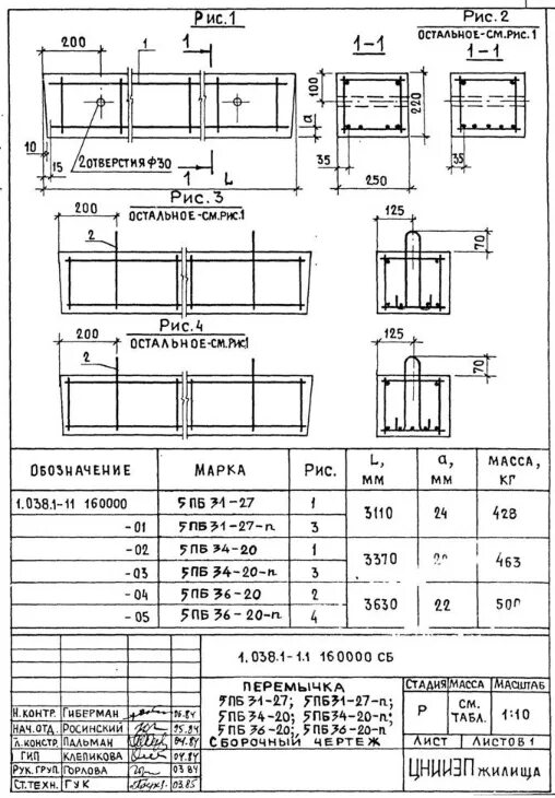
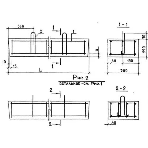
Армирование перемычек железобетонных