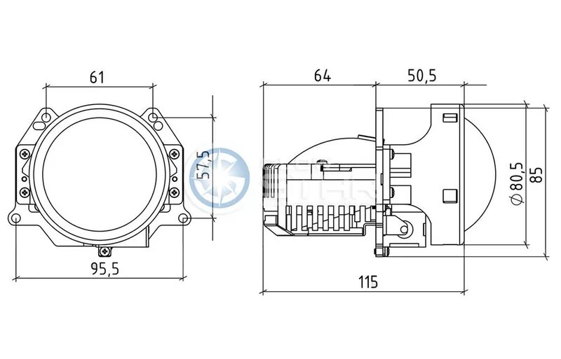
Aozoom a3 max