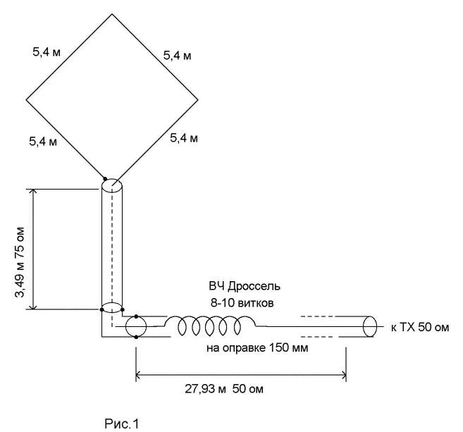
Антенны кв квадраты