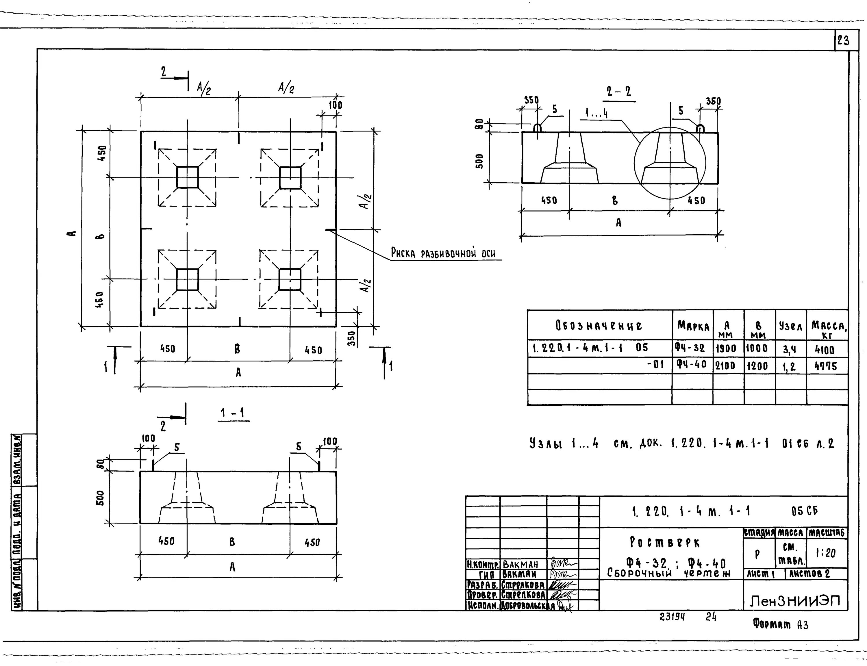
Анкеровка ростверка