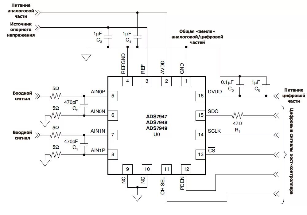
Аналоговое напряжение питания