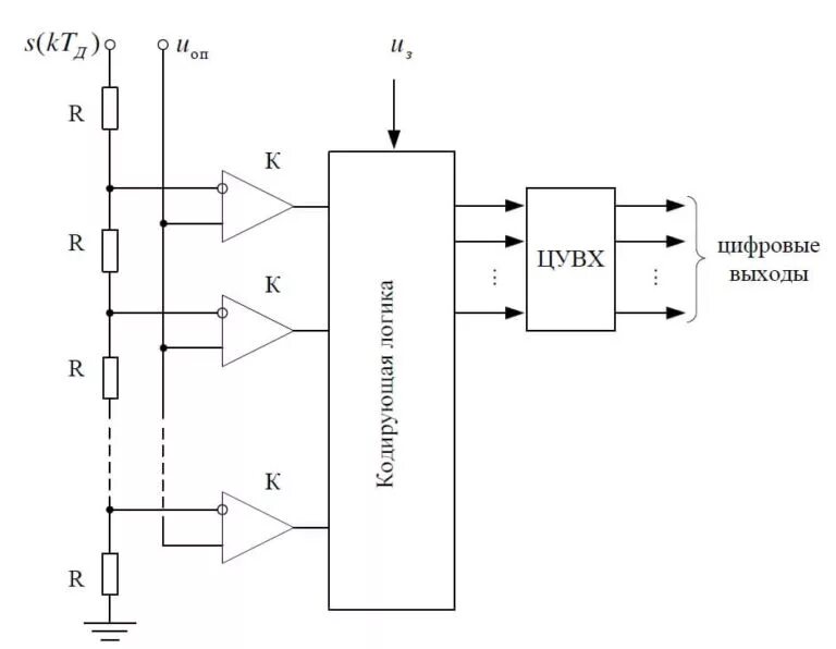
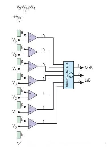
Аналого цифровые преобразователи ацп