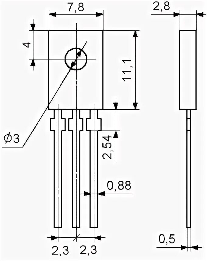
Аналог транзистора кт815