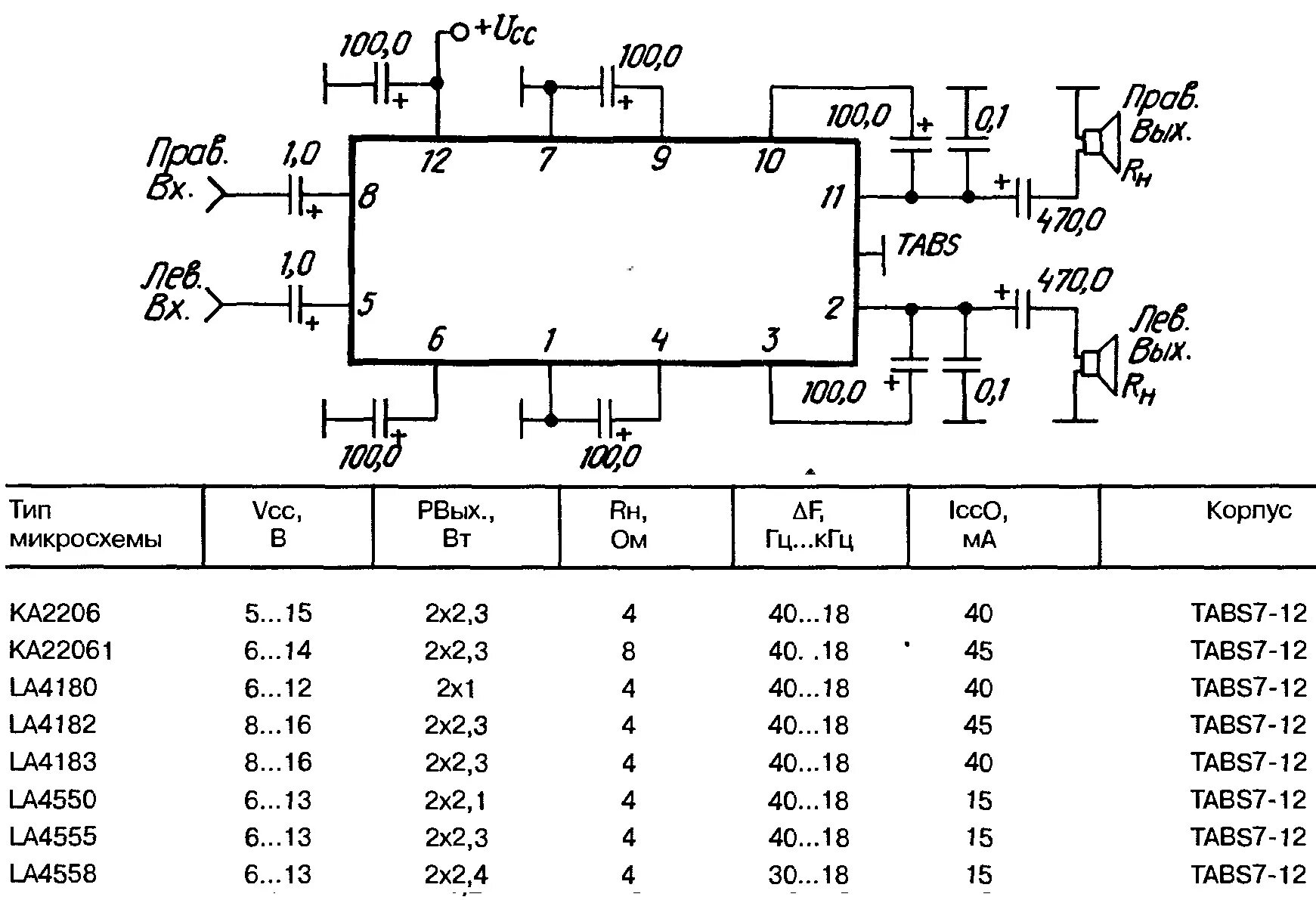
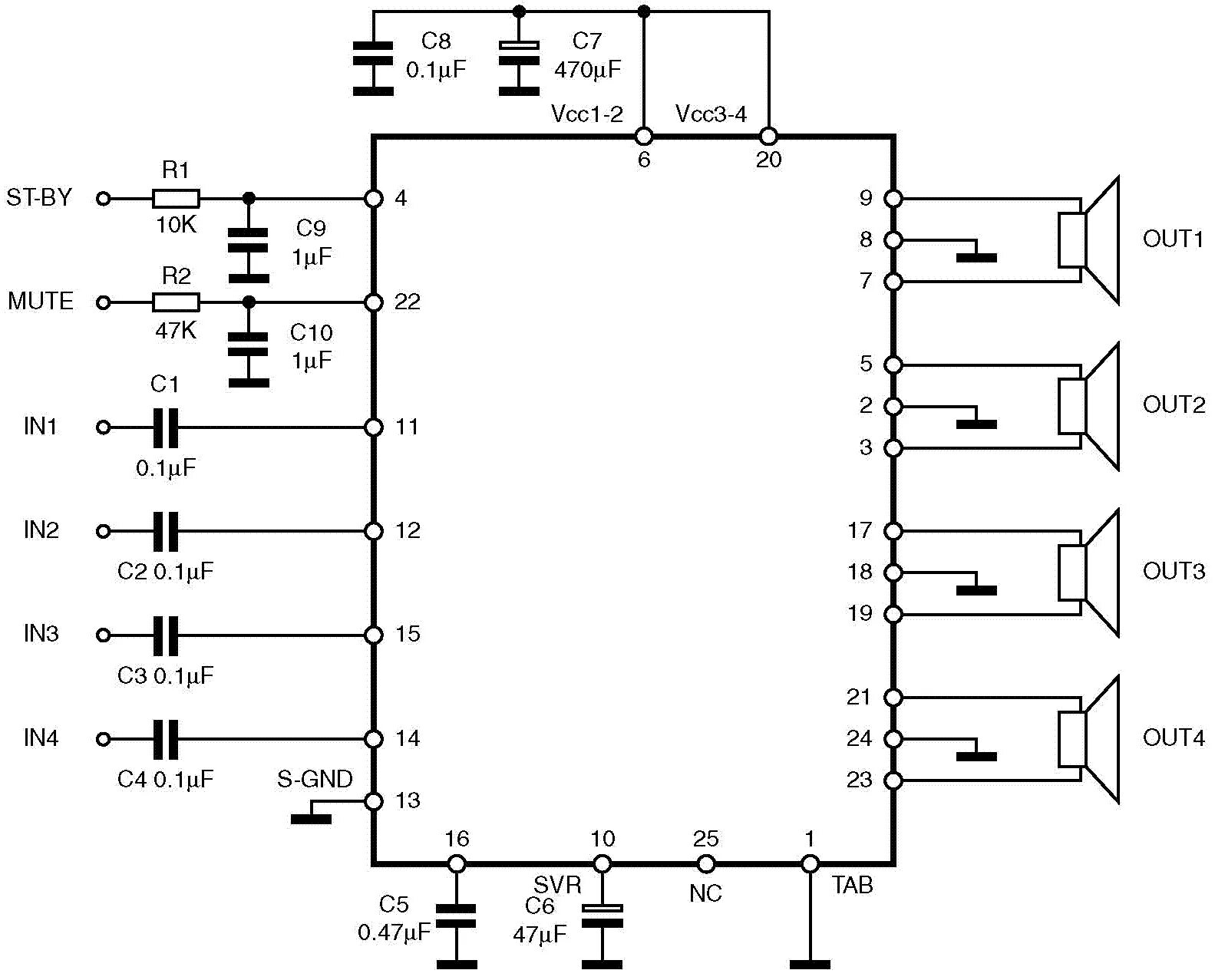
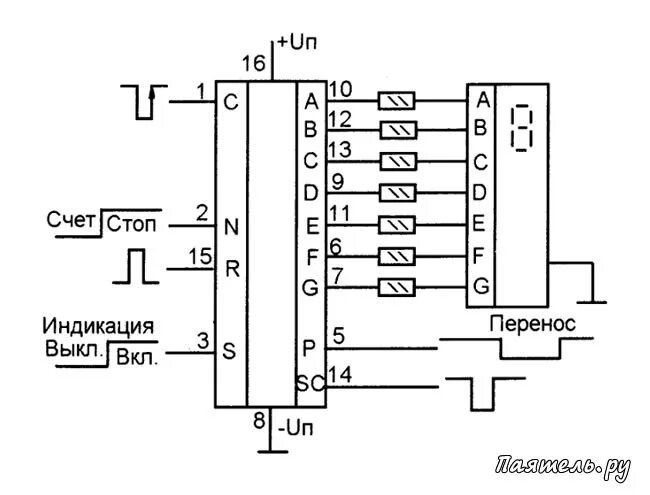
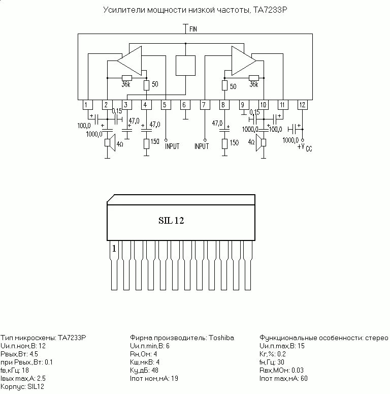
Аналог схема микросхема